| |
VÝZTUHY RÁMŮ ZESÍLENÉ PRO ÚHLOVÝ SPOJ
Použití:
Výztuhy rámů slouží ke zvýšení tuhosti spoje hliníkových profilů. Jednotlivé typy výztuh odpovídají rozměrovým řadám profilů (20, 30, 40, 45, 50mm) a jsou rozděleny podle typu spojovaných profilů (jednoduché, dvojité). Výztuhy pro úhlový spoj umožňují uchycení profilů k rámu pod požadovaným úhlem. K dosažení maximálního vyztužení je vhodné instalovat tyto výztuhy z obou stran profilu.
Provedení:
Výztuhy jsou vyráběny z ocelového nerezového plechu bez povrchové úpravy. Výztuhy jsou pouze očištěny a veškeré hrany odjehleny.
Na základě požadavku zákazníka dodáváme i výztuhy na zakázku. Navrhujeme výztuhy tak, aby vyhovovaly přesně požadavkům zákazníka. Nestandardní rozměry, různé materiály, nebo povrchové úpravy. Spojovací materiál lze dodat na požádání (matice do profilů, šrouby, podložky...).
Případnou poptávku, nebo objednávku nám můžete zaslat na info@apme.cz, nebo zavolat na tel.: +420 604 287 322
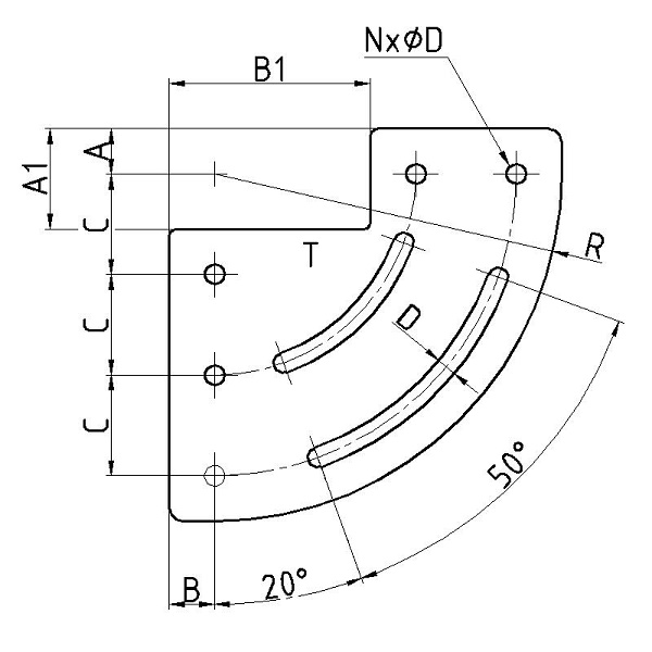
Výztuha rámu TYP VPUL
|
 |
 |
| OZNAČENÍ |
A |
A1 |
B |
B1 |
C |
R |
D |
N |
T |
cena (Kč) |
ke stažení |
| VPUL-20-VA |
8 |
- |
8 |
- |
20 |
68 |
6,1 |
7 |
2 |
na dotaz |
pdf |
step |
| VPUL-30-VA |
13 |
- |
13 |
- |
30 |
103 |
6,1 |
7 |
2 |
na dotaz |
pdf |
step |
| VPUL-40-VA |
18 |
- |
18 |
- |
40 |
138 |
8,1 |
7 |
2,5 |
na dotaz |
pdf |
step |
| VPUL-45-VA |
20,5 |
- |
20,5 |
- |
45 |
155,5 |
8,1 |
7 |
2,5 |
na dotaz |
pdf |
step |
| VPUL-50-VA |
23 |
- |
23 |
- |
50 |
173 |
8,1 |
7 |
2,5 |
na dotaz |
pdf |
step |
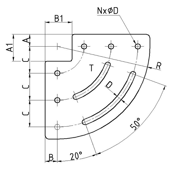
Výztuha rámu TYP VPUM
|
 |
 |
| OZNAČENÍ |
A |
A1 |
B |
B1 |
C |
R |
D |
N |
T |
cena (Kč) |
ke stažení |
| VPUM-20-VA |
8 |
20 |
8 |
20 |
20 |
68 |
6,1 |
6 |
2 |
na dotaz |
pdf |
step |
| VPUM-30-VA |
13 |
30 |
13 |
30 |
30 |
103 |
6,1 |
6 |
2 |
na dotaz |
pdf |
step |
| VPUM-40-VA |
18 |
40 |
18 |
40 |
40 |
138 |
8,1 |
6 |
2,5 |
na dotaz |
pdf |
step |
| VPUM-45-VA |
20,5 |
45 |
20,5 |
45 |
45 |
155,5 |
8,1 |
6 |
2,5 |
na dotaz |
pdf |
step |
| VPUM-50-VA |
23 |
50 |
23 |
50 |
50 |
173 |
8,1 |
6 |
2,5 |
na dotaz |
pdf |
step |
Výztuha rámu TYP VPUN
|
 |
 |
| OZNAČENÍ |
A |
A1 |
B |
B1 |
C |
R |
D |
N |
T |
cena (Kč) |
ke stažení |
| VPUN-20-VA |
8 |
20 |
8 |
40 |
20 |
68 |
6,1 |
5 |
2 |
na dotaz |
pdf |
step |
| VPUN-30-VA |
13 |
30 |
13 |
60 |
30 |
103 |
6,1 |
5 |
2 |
na dotaz |
pdf |
step |
| VPUN-40-VA |
18 |
40 |
18 |
80 |
40 |
138 |
8,1 |
5 |
2,5 |
na dotaz |
pdf |
step |
| VPUN-45-VA |
20,5 |
45 |
20,5 |
90 |
45 |
155,5 |
8,1 |
5 |
2,5 |
na dotaz |
pdf |
step |
| VPUN-50-VA |
23 |
50 |
23 |
100 |
50 |
173 |
8,1 |
5 |
2,5 |
na dotaz |
pdf |
step |
Výztuha rámu TYP VPUP
|
 |
 |
| OZNAČENÍ |
A |
A1 |
B |
B1 |
C |
R |
D |
N |
T |
cena (Kč) |
ke stažení |
| VPUP-20-VA |
8 |
- |
8 |
- |
20 |
68 |
6,1 |
9 |
2 |
na dotaz |
pdf |
step |
| VPUP-30-VA |
13 |
- |
13 |
- |
30 |
103 |
6,1 |
9 |
2 |
na dotaz |
pdf |
step |
| VPUP-40-VA |
18 |
- |
18 |
- |
40 |
138 |
8,1 |
9 |
2,5 |
na dotaz |
pdf |
step |
| VPUP-45-VA |
20,5 |
- |
20,5 |
- |
45 |
155,5 |
8,1 |
9 |
2,5 |
na dotaz |
pdf |
step |
| VPUP-50-VA |
23 |
- |
23 |
- |
50 |
173 |
8,1 |
9 |
2,5 |
na dotaz |
pdf |
step |
Výztuha rámu TYP VPUQ
|
 |
 |
| OZNAČENÍ |
A |
A1 |
B |
B1 |
C |
R |
D |
N |
T |
cena (Kč) |
ke stažení |
| VPUQ-20-VA |
8 |
20 |
8 |
24 |
20 |
68 |
6,1 |
9 |
2 |
na dotaz |
pdf |
step |
| VPUQ-30-VA |
13 |
30 |
13 |
34 |
30 |
103 |
6,1 |
9 |
2 |
na dotaz |
pdf |
step |
| VPUQ-40-VA |
18 |
40 |
18 |
44 |
40 |
138 |
8,1 |
9 |
2,5 |
na dotaz |
pdf |
step |
| VPUQ-45-VA |
20,5 |
45 |
20,5 |
49 |
45 |
155,5 |
8,1 |
9 |
2,5 |
na dotaz |
pdf |
step |
| VPUQ-50-VA |
23 |
50 |
23 |
54 |
50 |
173 |
8,1 |
9 |
2,5 |
na dotaz |
pdf |
step |
Výztuha rámu TYP VPUR
|
 |
 |
| OZNAČENÍ |
A |
A1 |
B |
B1 |
C |
R |
D |
N |
T |
cena (Kč) |
ke stažení |
| VPUR-20-VA |
8 |
20 |
8 |
44 |
20 |
68 |
6,1 |
8 |
2 |
na dotaz |
pdf |
step |
| VPUR-30-VA |
13 |
30 |
13 |
34 |
30 |
103 |
6,1 |
8 |
2 |
na dotaz |
pdf |
step |
| VPUR-40-VA |
18 |
40 |
18 |
84 |
40 |
138 |
8,1 |
8 |
2,5 |
na dotaz |
pdf |
step |
| VPUR-45-VA |
20,5 |
45 |
20,5 |
94 |
45 |
155,5 |
8,1 |
8 |
2,5 |
na dotaz |
pdf |
step |
| VPUR-50-VA |
23 |
50 |
23 |
104 |
50 |
173 |
8,1 |
8 |
2,5 |
na dotaz |
pdf |
step |
Výztuha rámu TYP VPUS
|
 |
 |
| OZNAČENÍ |
A |
A1 |
B |
B1 |
C |
R |
D |
N |
T |
cena (Kč) |
ke stažení |
| VPUS-20-VA |
8 |
40 |
8 |
24 |
20 |
68 |
6,1 |
8 |
2 |
na dotaz |
pdf |
step |
| VPUS-30-VA |
13 |
60 |
13 |
34 |
30 |
103 |
6,1 |
8 |
2 |
na dotaz |
pdf |
step |
| VPUS-40-VA |
18 |
80 |
18 |
44 |
40 |
138 |
8,1 |
8 |
2,5 |
na dotaz |
pdf |
step |
| VPUS-45-VA |
20,5 |
90 |
20,5 |
49 |
45 |
155,5 |
8,1 |
8 |
2,5 |
na dotaz |
pdf |
step |
| VPUS-50-VA |
23 |
100 |
23 |
54 |
50 |
173 |
8,1 |
8 |
2,5 |
na dotaz |
pdf |
step |
Výztuha rámu TYP VPUT
|
 |
 |
| OZNAČENÍ |
A |
A1 |
B |
B1 |
C |
R |
D |
N |
T |
cena (Kč) |
ke stažení |
| VPUT-20-VA |
8 |
- |
8 |
- |
20 |
68 |
6,1 |
6 |
2 |
na dotaz |
pdf |
step |
| VPUT-30-VA |
13 |
- |
13 |
- |
30 |
103 |
6,1 |
6 |
2 |
na dotaz |
pdf |
step |
| VPUT-40-VA |
18 |
- |
18 |
- |
40 |
138 |
8,1 |
6 |
2,5 |
na dotaz |
pdf |
step |
| VPUT-45-VA |
20,5 |
- |
20,5 |
- |
45 |
155,5 |
8,1 |
6 |
2,5 |
na dotaz |
pdf |
step |
| VPUT-50-VA |
23 |
- |
23 |
- |
50 |
173 |
8,1 |
6 |
2,5 |
na dotaz |
pdf |
step |
Výztuha rámu TYP VPUU
|
 |
 |
| OZNAČENÍ |
A |
A1 |
B |
B1 |
C |
R |
D |
N |
T |
cena (Kč) |
ke stažení |
| VPUU-20-VA |
8 |
20 |
8 |
24 |
20 |
68 |
6,1 |
6 |
2 |
na dotaz |
pdf |
step |
| VPUU-30-VA |
13 |
30 |
13 |
34 |
30 |
103 |
6,1 |
6 |
2 |
na dotaz |
pdf |
step |
| VPUU-40-VA |
18 |
40 |
18 |
44 |
40 |
138 |
8,1 |
6 |
2,5 |
na dotaz |
pdf |
step |
| VPUU-45-VA |
20,5 |
45 |
20,5 |
49 |
45 |
155,5 |
8,1 |
6 |
2,5 |
na dotaz |
pdf |
step |
| VPUU-50-VA |
23 |
50 |
23 |
54 |
50 |
173 |
8,1 |
6 |
2,5 |
na dotaz |
pdf |
step |
Výztuha rámu TYP VPUV
|
 |
 |
| OZNAČENÍ |
A |
A1 |
B |
B1 |
C |
R |
D |
N |
T |
cena (Kč) |
ke stažení |
| VPUV-20-VA |
8 |
20 |
8 |
44 |
20 |
68 |
6,1 |
5 |
2 |
na dotaz |
pdf |
step |
| VPUV-30-VA |
13 |
30 |
13 |
64 |
30 |
103 |
6,1 |
5 |
2 |
na dotaz |
pdf |
step |
| VPUV-40-VA |
18 |
40 |
18 |
84 |
40 |
138 |
8,1 |
5 |
2,5 |
na dotaz |
pdf |
step |
| VPUV-45-VA |
20,5 |
45 |
20,5 |
94 |
45 |
155,5 |
8,1 |
5 |
2,5 |
na dotaz |
pdf |
step |
| VPUV-50-VA |
23 |
50 |
23 |
104 |
50 |
173 |
8,1 |
5 |
2,5 |
na dotaz |
pdf |
step |
|
|