| |
DESKY ČELNÍ
Použití:
Desky čelní slouží k uchycení stavitelné nohy, nebo pojezdového kola k čelní straně hliníkového profilu. Desky DKA jsou optimalizovány pro profily Kanya. Pro uchycení desky k profilu je vhodné použít inbusové šrouby M8 (M6 pro profily řady 30), které se zašroubují do ocelových závitových vložek v profilu. Jednotlivé typy desek odpovídají rozměrovým řadám profilů (20, 30, 40, 45, 50mm) a jsou rozděleny podle typu profilu.
Provedení:
čelní desky jsou vyráběny z hliníku a jejich povrch je eloxován.
Na základě požadavku zákazníka dodáváme i desky na zakázku. Navrhujeme desky tak, aby vyhovovaly přesně požadavkům zákazníka. Nestandardní rozměry, různé materiály, nebo povrchové úpravy. Spojovací materiál lze dodat na požádání (závitové vložky do profilů, šrouby, podložky...).
Případnou poptávku, nebo objednávku nám můžete zaslat na info@apme.cz, nebo zavolat na tel.: +420 604 287 322
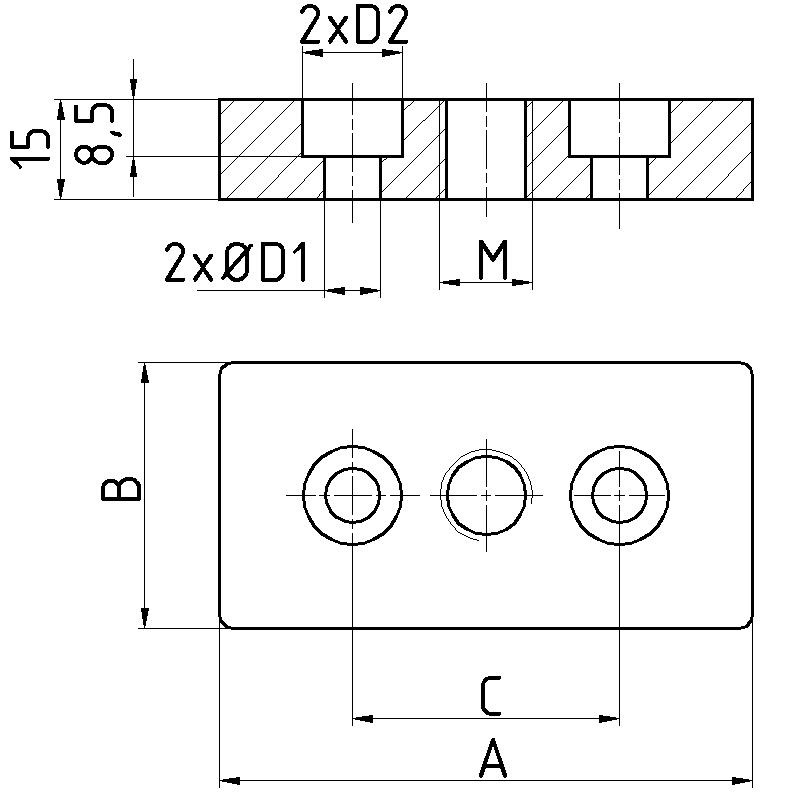
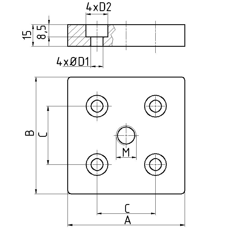
Deska čelní TYP A
Deska slouží k uchycení na obdélníkový profil KANYA.
|
 |
 |
| OZNAČENÍ |
A |
B |
C |
D1 |
D2 |
E |
M |
vhodné pro profil |
cena (Kč) |
ke stažení |
| DKAA-3010-AL |
60 |
30 |
30 |
6.4 |
11 |
- |
M10 |
B01-6, B03-6 |
na dotaz |
pdf |
step |
| DKAA-3012-AL |
60 |
30 |
30 |
6.4 |
11 |
- |
M12 |
B01-6, B03-6 |
na dotaz |
pdf |
step |
| DKAA-3014-AL |
60 |
30 |
30 |
6.4 |
11 |
- |
M14 |
B01-6, B03-6 |
na dotaz |
pdf |
step |
| DKAA-4012-AL |
80 |
40 |
40 |
8.4 |
15 |
- |
M12 |
C01-5, C01-3, C02-3, C10-3 |
na dotaz |
pdf |
step |
| DKAA-4014-AL |
80 |
40 |
40 |
8.4 |
15 |
- |
M14 |
C01-5, C01-3, C02-3, C10-3 |
na dotaz |
pdf |
step |
| DKAA-4016-AL |
80 |
40 |
40 |
8.4 |
15 |
- |
M16 |
C01-5, C01-3, C02-3, C10-3 |
na dotaz |
pdf |
step |
| DKAA-4512-AL |
90 |
45 |
45 |
8.4 |
15 |
- |
M12 |
E02-2, E01-14, E01-3, E02-3 |
na dotaz |
pdf |
step |
| DKAA-4514-AL |
90 |
45 |
45 |
8.4 |
15 |
- |
M14 |
E02-2, E01-14, E01-3, E02-3 |
na dotaz |
pdf |
step |
| DKAA-4516-AL |
90 |
45 |
45 |
8.4 |
15 |
- |
M16 |
E02-2, E01-14, E01-3, E02-3 |
na dotaz |
pdf |
step |
| DKAA-5014-AL |
100 |
50 |
50 |
8.4 |
15 |
- |
M14 |
MA1-4 |
na dotaz |
pdf |
step |
| DKAA-5016-AL |
100 |
50 |
50 |
8.4 |
15 |
- |
M16 |
MA1-4 |
na dotaz |
pdf |
step |
| DKAA-5020-AL |
100 |
50 |
50 |
8.4 |
15 |
- |
M20 |
MA1-4 |
na dotaz |
pdf |
step |
| - |
- |
- |
- |
- |
- |
- |
- |
- |
- |
- |
- |
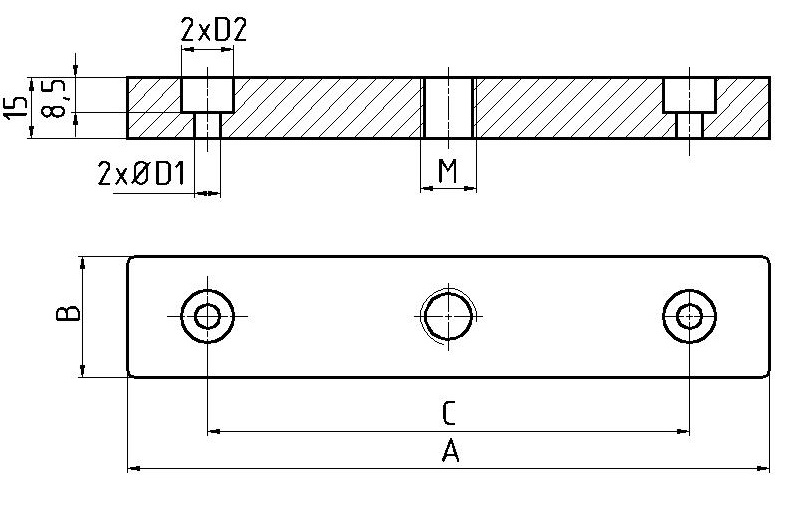
Deska čelní TYP B
Deska slouží k uchycení na dvojtý čtvercový profil KANYA.
|
 |
 |
| OZNAČENÍ |
A |
B |
C |
D1 |
D2 |
E |
M |
vhodné pro profil |
cena (Kč) |
ke stažení |
| DKAB-3010-AL |
60 |
60 |
30 |
6.4 |
11 |
- |
M10 |
B02-6 |
na dotaz |
pdf |
step |
| DKAB-3012-AL |
60 |
60 |
30 |
6.4 |
11 |
- |
M12 |
B02-6 |
na dotaz |
pdf |
step |
| DKAB-3014-AL |
60 |
60 |
30 |
6.4 |
11 |
- |
M14 |
B02-6 |
na dotaz |
pdf |
step |
| DKAB-4012-AL |
80 |
80 |
40 |
8.4 |
15 |
- |
M12 |
C01-4, C03-4, C10-4, C03-7 |
na dotaz |
pdf |
step |
| DKAB-4014-AL |
80 |
80 |
40 |
8.4 |
15 |
- |
M14 |
C01-4, C03-4, C10-4, C03-7 |
na dotaz |
pdf |
step |
| DKAB-4016-AL |
80 |
80 |
40 |
8.4 |
15 |
- |
M16 |
C01-4, C03-4, C10-4, C03-7 |
na dotaz |
pdf |
step |
| DKAB-4512-AL |
90 |
90 |
45 |
8.4 |
15 |
- |
M12 |
E01-4, E02-5 |
na dotaz |
pdf |
step |
| DKAB-4514-AL |
90 |
90 |
45 |
8.4 |
15 |
- |
M14 |
E01-4, E02-5 |
na dotaz |
pdf |
step |
| DKAB-4516-AL |
90 |
90 |
45 |
8.4 |
15 |
- |
M16 |
E01-4, E02-5 |
na dotaz |
pdf |
step |
| DKAB-5014-AL |
100 |
100 |
50 |
8.4 |
15 |
- |
M14 |
MA2-1, MA2-5, A03-7 |
na dotaz |
pdf |
step |
| DKAB-5016-AL |
100 |
100 |
50 |
8.4 |
15 |
- |
M16 |
MA2-1, MA2-5, A03-7 |
na dotaz |
pdf |
step |
| DKAB-5020-AL |
100 |
100 |
50 |
8.4 |
15 |
- |
M20 |
MA2-1, MA2-5, A03-7 |
na dotaz |
pdf |
step |
| - |
- |
- |
- |
- |
- |
- |
- |
- |
- |
- |
- |
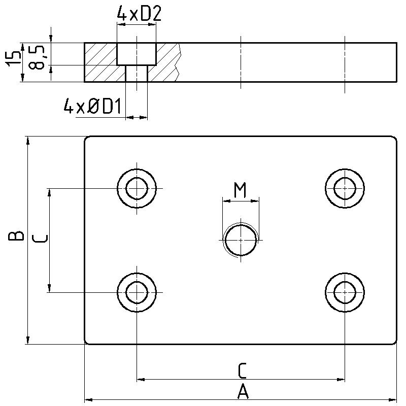
Deska čelní TYP C
Deska slouží k uchycení na dvojtý obdélníkový profil KANYA.
|
 |
 |
| OZNAČENÍ |
A |
B |
C |
D1 |
D2 |
E |
M |
vhodné pro profil |
cena (Kč) |
ke stažení |
| DKAC-4012-AL |
160 |
80 |
20 |
8.4 |
15 |
80 |
M12 |
MC1-9 |
na dotaz |
pdf |
step |
| DKAC-4014-AL |
160 |
80 |
20 |
8.4 |
15 |
80 |
M14 |
MC1-9 |
na dotaz |
pdf |
step |
| DKAC-4016-AL |
160 |
80 |
20 |
8.4 |
15 |
80 |
M16 |
MC1-9 |
na dotaz |
pdf |
step |
| DKAC-5014-AL |
200 |
100 |
25 |
8.4 |
15 |
100 |
M14 |
MA1-9 |
na dotaz |
pdf |
step |
| DKAC-5016-AL |
200 |
100 |
25 |
8.4 |
15 |
100 |
M16 |
MA1-9 |
na dotaz |
pdf |
step |
| DKAC-5020-AL |
200 |
100 |
25 |
8.4 |
15 |
100 |
M20 |
MA1-9 |
na dotaz |
pdf |
step |
| - |
- |
- |
- |
- |
- |
- |
- |
- |
- |
- |
- |
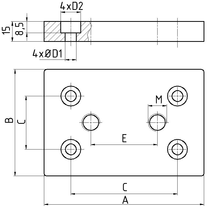
Deska čelní TYP D
Deska slouží k uchycení na obdélníkový profil KANYA.
|
 |
 |
| OZNAČENÍ |
A |
B |
C |
D1 |
D2 |
E |
M |
vhodné pro profil |
cena (Kč) |
ke stažení |
| DKAD-4512-AL |
135 |
90 |
22.5 |
8.4 |
15 |
- |
M12 |
E01-13 |
na dotaz |
pdf |
step |
| DKAD-4514-AL |
135 |
90 |
22.5 |
8.4 |
15 |
- |
M14 |
E01-13 |
na dotaz |
pdf |
step |
| DKAD-4516-AL |
135 |
90 |
22.5 |
8.4 |
15 |
- |
M16 |
E01-13 |
na dotaz |
pdf |
step |
Deska čelní TYP E
Deska slouží k uchycení na úzký obdélníkový profil KANYA.
|
 |
 |
| OZNAČENÍ |
A |
B |
C |
D1 |
D2 |
E |
M |
vhodné pro profil |
cena (Kč) |
ke stažení |
| DKAE-4012-AL |
160 |
40 |
20 |
8.4 |
15 |
- |
M12 |
C02-9 |
na dotaz |
pdf |
step |
| DKAE-4014-AL |
160 |
40 |
20 |
8.4 |
15 |
- |
M14 |
C02-9 |
na dotaz |
pdf |
step |
| DKAE-4016-AL |
160 |
40 |
20 |
8.4 |
15 |
- |
M16 |
C02-9 |
na dotaz |
pdf |
step |
| DKAE-4512-AL |
180 |
45 |
22.5 |
8.4 |
15 |
- |
M12 |
E01-16 |
na dotaz |
pdf |
step |
| DKAE-4514-AL |
180 |
45 |
22.5 |
8.4 |
15 |
- |
M14 |
E01-16 |
na dotaz |
pdf |
step |
| DKAE-4516-AL |
180 |
45 |
22.5 |
8.4 |
15 |
- |
M16 |
E01-16 |
na dotaz |
pdf |
step |
| DKAE-5014-AL |
200 |
50 |
25 |
8.4 |
15 |
- |
M14 |
MA1-6 |
na dotaz |
pdf |
step |
| DKAE-5016-AL |
200 |
50 |
25 |
8.4 |
15 |
- |
M16 |
MA1-6 |
na dotaz |
pdf |
step |
| DKAE-5020-AL |
200 |
50 |
25 |
8.4 |
15 |
- |
M20 |
MA1-6 |
na dotaz |
pdf |
step |
Deska čelní TYP F
Deska slouží k uchycení na úzký obdélníkový profil KANYA.
|
 |
 |
| OZNAČENÍ |
A |
B |
C |
D1 |
D2 |
E |
M |
vhodné pro profil |
cena (Kč) |
ke stažení |
| DKAF-3010-AL |
100 |
30 |
50 |
6.4 |
11 |
- |
M10 |
B01-2 |
na dotaz |
pdf |
step |
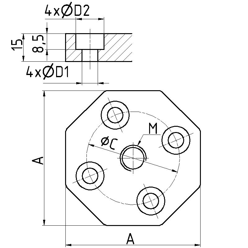
Deska čelní TYP G
Deska slouží k uchycení na šestihranný profil KANYA.
|
 |
 |
| OZNAČENÍ |
A |
B |
C |
D1 |
D2 |
E |
M |
vhodné pro profil |
cena (Kč) |
ke stažení |
| DKAG-3012-AL |
72 |
- |
50 |
8.4 |
15 |
- |
M12 |
B15-3 |
na dotaz |
pdf |
step |
| DKAG-3014-AL |
72 |
- |
50 |
8.4 |
15 |
- |
M14 |
B15-3 |
na dotaz |
pdf |
step |
| DKAG-3016-AL |
72 |
- |
50 |
8.4 |
15 |
- |
M16 |
B15-3 |
na dotaz |
pdf |
step |
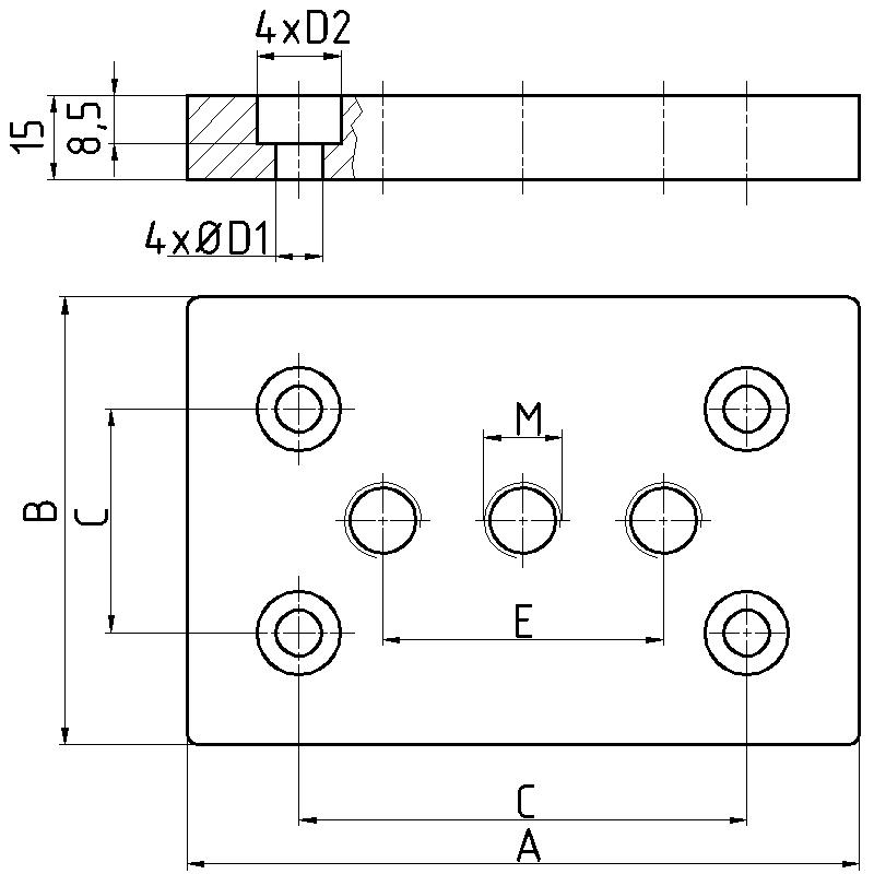
Deska čelní TYP H
Deska slouží k uchycení na dvojtý obdélníkový profil KANYA.
|
 |
 |
| OZNAČENÍ |
A |
B |
C |
D1 |
D2 |
E |
M |
vhodné pro profil |
cena (Kč) |
ke stažení |
| DKAH-4512-AL |
180 |
90 |
22.5 |
8.4 |
15 |
90 |
M12 |
E01-5 |
na dotaz |
pdf |
step |
| DKAH-4514-AL |
180 |
90 |
22.5 |
8.4 |
15 |
90 |
M14 |
E01-5 |
na dotaz |
pdf |
step |
| DKAH-4516-AL |
180 |
90 |
22.5 |
8.4 |
15 |
90 |
M16 |
E01-5 |
na dotaz |
pdf |
step |
|
|