VYRÁBĚNÉ DÍLY

 

Nabízíme dodání dílů obráběných, svařovaných a dílů ohýbaných z plechu. Materiály: oceli, nerezové oceli, hliníkové slitiny, technické plasty, polykarbonát, plexisklo a další.


Díly vyrobíme podle Vámi předané dokumentace. V případě, že máte jen vzorek apod., výrobní dokumentaci zhotovíme.

vyráběné díly
 

Střižnice

Zajištění výroby a dodání čtyř přesných a kalených dílů z nástrojové oceli. Výroba byla provedena podle zákazníkovy dodané výrobní dokumentace.

Střižník

Zajištění výroby a dodání přesného a kaleného dílu z nástrojové oceli. Výroba byla provedena podle zákazníkovy dodané výrobní dokumentace.

Hrot

Zajištění výroby a dodání čtyř kalených dílů z nástrojové oceli.  Výroba byla provedena podle zákazníkovy dodané výrobní dokumentace.

Hrot

Hrot

Zajištění výroby a dodání přesných kalených dílů z nerezové (nožířské) oceli.  Výroba byla provedena podle zákazníkovy dodané výrobní dokumentace.

HrotHrot

Základna

Výroba a dodání přesných obráběných dílů z nerezové oceli pro výrobce zdravotnických přístrojů.

Základna

Sada dílů

Výroba a dodání obráběných a svařovaných dílů.

Svařovaný dílObráběný dílObráběný díl

Soustružnický nůž

Výroba a dodání upichovacích soustružnických nožů 6x6, délky 42mm s pájeným břitem ze slinutého karbidu. Určeno pro výrobce zdravotnických přístrojů.

Soustružnický nůžSoustružnický nůžSoustružnický nůž

Přítlačné rameno

Výroba a dodání ocelových ramen. Povrch dílů práškově lakován odstínem RAL 1013.

Přítlačné ramenoPřítlačné rameno

Výroba nasavače

Výroba a dodání nerezového svařovaného dílu.

NasavačNasavačNasavač

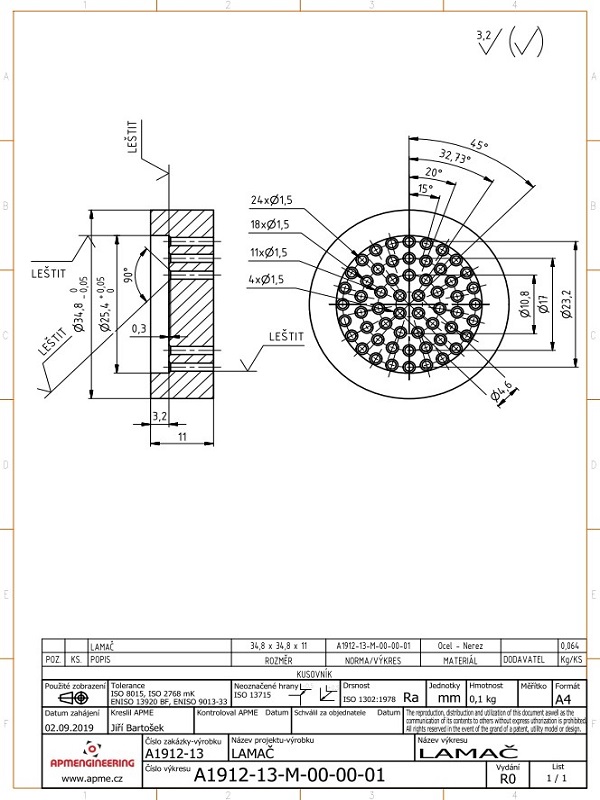
Lamač extrudéru

Výroba a dodání nerezového dílu.

Lamač extrudéruLamač extrudéruLamač extrudéru

Svařované díly

Výroba a dodání svařovaných ocelových dílů. Povrch dílů práškově lakován odstínem RAL 1003.

Svařovaný dílSvařovaný díl

 

inPagewebové stránky s AI, doménawebhosting u jediného 5★ registrátora v ČR