VÝZTUHY RÁMŮ SPECIÁLNÍ

Použití:

Výztuhy rámů slouží ke zvýšení tuhosti spoje hliníkových profilů. Jednotlivé typy výztuh odpovídají rozměrovým řadám profilů (20, 30, 40, 45, 50mm) a jsou rozděleny podle typu spojovaných profilů (jednoduché, dvojité). Výztuhy speciální spouží ke specifickému spoji profilů.

Provedení:

Výztuhy jsou vyráběny z ocelového nerezového plechu bez povrchové úpravy. Výztuhy z nerezového plechu jsou pouze očištěny a veškeré hrany odjehleny.

Na základě požadavku zákazníka dodáváme i výztuhy na zakázku. Navrhujeme výztuhy tak, aby vyhovovaly přesně požadavkům zákazníka. Nestandardní rozměry, různé materiály, nebo povrchové úpravy.
Spojovací materiál lze dodat na požádání (matice do profilů, šrouby, podložky...).

Případnou poptávku, nebo objednávku nám můžete zaslat na info@apme.cz, nebo zavolat na tel.: +420 604 287 322 

Výztuhy rámu TYP VSPA

výztuha slouží ke spojení tří profilů s jednou drážkou. Tyto výztuhy jsou především využívány k vyztužení noh stolů.

Použití výztuhy VSPA Použití výztuhy VSPA
Výztuha rámu typ VSPA Výztuha rámu typ VSPA
OZNAČENÍ A B C C1 C2 D N T cena (Kč) ke stažení
VSPA-20-VA 56 136 20 60 40 6.1 7 2 na dotaz pdf step
VSPA-30-VA 89 206 30 90 60 6.1 7 2 na dotaz pdf step
VSPA-40-VA 116 276 40 120 80 8.1 7 2.5 na dotaz pdf step
VSPA-45-VA 131 311 45 135 90 8.1 7 2.5 na dotaz pdf step
VSPA-50-VA 146 346 80 150 100 8.1 7 2.5 na dotaz pdf step

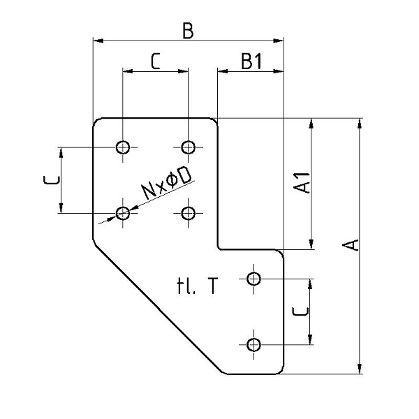
Výztuhy rámu TYP VSPB

výztuha slouží ke spojení profilů. Tyto výztuhy jsou navrženy dle specifického požadavku zákazníka.

Výztuha rámu typ VSPB Výztuha rámu typ VSPB
OZNAČENÍ A A1 B B1 C D N T cena (Kč) ke stažení
VSPB-20-VA 76 40 56 20 20 6.1 6 2 na dotaz pdf step
VSPB-30-VA 116 60 86 30 30 6.1 6 2 na dotaz pdf step
VSPB-40-VA 156 80 116 40 40 8.1 6 2.5 na dotaz pdf step
VSPB-45-VA 176 90 131 45 45 8.1 6 2.5 na dotaz pdf step
VSPB-50-VA 196 100 146 50 50 8.1 6 2.5 na dotaz pdf step

 

 
     

 

inPagewebové stránky s AI, doménawebhosting u jediného 5★ registrátora v ČR