| |
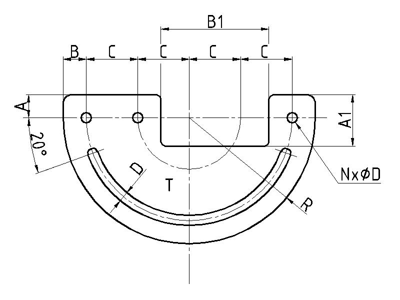
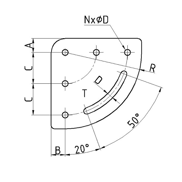
VÝZTUHY RÁMŮ PRO ÚHLOVÝ SPOJ
Použití:
Výztuhy rámů slouží ke zvýšení tuhosti spoje hliníkových profilů. Jednotlivé typy výztuh odpovídají rozměrovým řadám profilů (20, 30, 40, 45, 50mm) a jsou rozděleny podle typu spojovaných profilů (jednoduché, dvojité). Výztuhy pro úhlový spoj umožňují uchycení profilů k rámu pod požadovaným úhlem. K dosažení maximálního vyztužení je vhodné instalovat tyto výztuhy z obou stran profilu.
Provedení:
Výztuhy jsou vyráběny z ocelového nerezového plechu bez povrchové úpravy. Výztuhy jsou pouze očištěny a veškeré hrany odjehleny.
Na základě požadavku zákazníka dodáváme i výztuhy na zakázku. Navrhujeme výztuhy tak, aby vyhovovaly přesně požadavkům zákazníka. Nestandardní rozměry, různé materiály, nebo povrchové úpravy. Spojovací materiál lze dodat na požádání (matice do profilů, šrouby, podložky...).
Případnou poptávku, nebo objednávku nám můžete zaslat na info@apme.cz, nebo zavolat na tel.: +420 604 287 322
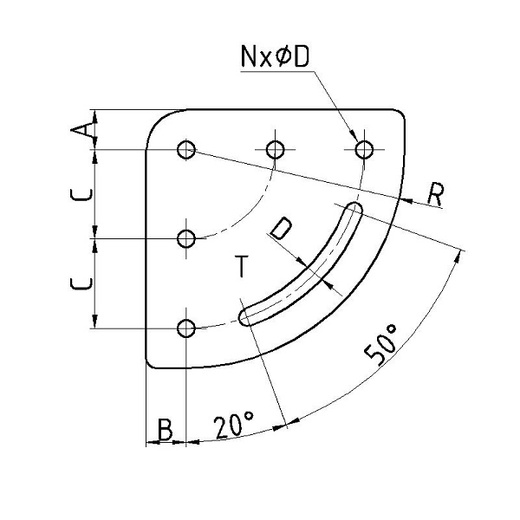
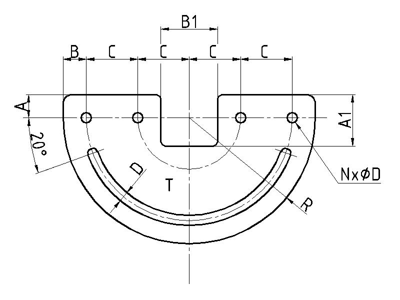
Výztuha rámu TYP VPUA
|
 |
 |
| OZNAČENÍ |
A |
A1 |
B |
B1 |
C |
R |
D |
N |
T |
cena (Kč) |
ke stažení |
| VPUA-20-VA |
8 |
- |
8 |
- |
20 |
48 |
6,1 |
5 |
2 |
na dotaz |
pdf |
step |
| VPUA-30-VA |
13 |
- |
13 |
- |
30 |
73 |
6,1 |
5 |
2 |
na dotaz |
pdf |
step |
| VPUA-40-VA |
18 |
- |
18 |
- |
40 |
98 |
8,1 |
5 |
2,5 |
na dotaz |
pdf |
step |
| VPUA-45-VA |
20,5 |
- |
20,5 |
- |
45 |
112,5 |
8,1 |
5 |
2,5 |
na dotaz |
pdf |
step |
| VPUA-50-VA |
23 |
- |
23 |
- |
50 |
123 |
8,1 |
5 |
2,5 |
na dotaz |
pdf |
step |
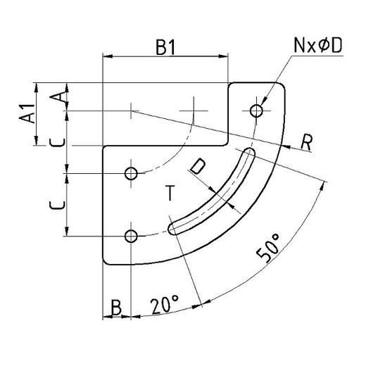
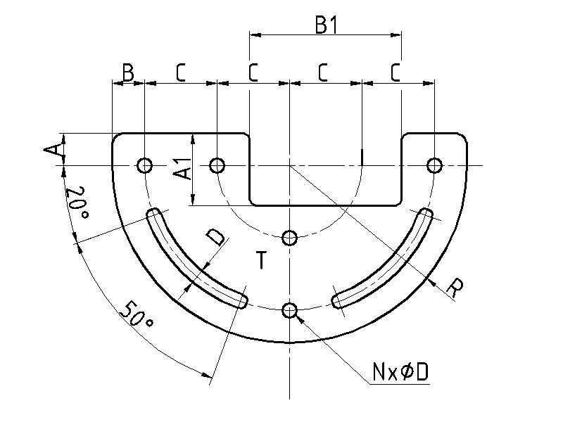
Výztuha rámu TYP VPUB
|
 |
 |
| OZNAČENÍ |
A |
A1 |
B |
B1 |
C |
R |
D |
N |
T |
cena (Kč) |
ke stažení |
| VPUB-20-VA |
8 |
20 |
8 |
20 |
20 |
48 |
6,1 |
4 |
2 |
na dotaz |
pdf |
step |
| VPUB-30-VA |
13 |
30 |
13 |
30 |
30 |
73 |
6,1 |
4 |
2 |
na dotaz |
pdf |
step |
| VPUB-40-VA |
18 |
40 |
18 |
40 |
40 |
98 |
8,1 |
4 |
2,5 |
na dotaz |
pdf |
step |
| VPUB-45-VA |
20,5 |
45 |
20,5 |
45 |
45 |
112,5 |
8,1 |
4 |
2,5 |
na dotaz |
pdf |
step |
| VPUB-50-VA |
23 |
50 |
23 |
50 |
50 |
123 |
8,1 |
4 |
2,5 |
na dotaz |
pdf |
step |
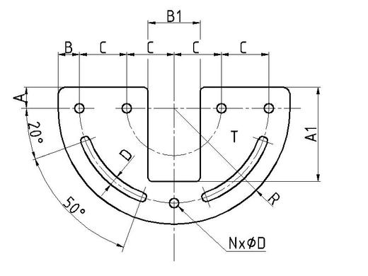
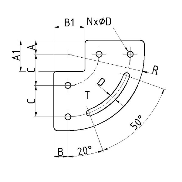
Výztuha rámu TYP VPUC
|
 |
 |
| OZNAČENÍ |
A |
A1 |
B |
B1 |
C |
R |
D |
N |
T |
cena (Kč) |
ke stažení |
| VPUC-20-VA |
8 |
20 |
8 |
40 |
20 |
48 |
6,1 |
3 |
2 |
na dotaz |
pdf |
step |
| VPUC-30-VA |
13 |
30 |
13 |
60 |
30 |
73 |
6,1 |
3 |
2 |
na dotaz |
pdf |
step |
| VPUC-40-VA |
18 |
40 |
18 |
80 |
40 |
98 |
8,1 |
3 |
2,5 |
na dotaz |
pdf |
step |
| VPUC-45-VA |
20,5 |
45 |
20,5 |
90 |
45 |
112,5 |
8,1 |
3 |
2,5 |
na dotaz |
pdf |
step |
| VPUC-50-VA |
23 |
50 |
23 |
100 |
50 |
123 |
8,1 |
3 |
2,5 |
na dotaz |
pdf |
step |
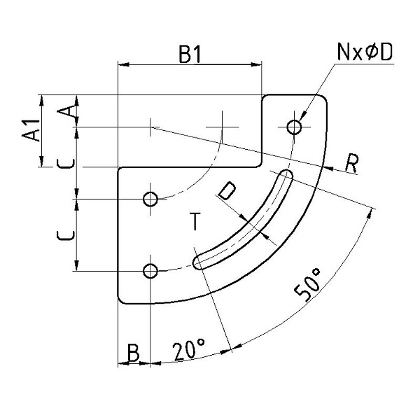
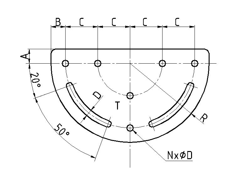
Výztuha rámu TYP VPUD
|
 |
 |
| OZNAČENÍ |
A |
A1 |
B |
B1 |
C |
R |
D |
N |
T |
cena (Kč) |
ke stažení |
| VPUD-20-VA |
8 |
- |
8 |
- |
20 |
48 |
6,1 |
6 |
2 |
na dotaz |
pdf |
step |
| VPUD-30-VA |
13 |
- |
13 |
- |
30 |
73 |
6,1 |
6 |
2 |
na dotaz |
pdf |
step |
| VPUD-40-VA |
18 |
- |
18 |
- |
40 |
98 |
8,1 |
6 |
2,5 |
na dotaz |
pdf |
step |
| VPUD-45-VA |
20,5 |
- |
20,5 |
- |
45 |
112,5 |
8,1 |
6 |
2,5 |
na dotaz |
pdf |
step |
| VPUD-50-VA |
23 |
- |
23 |
- |
50 |
123 |
8,1 |
6 |
2,5 |
na dotaz |
pdf |
step |
Výztuha rámu TYP VPUE
|
 |
 |
| OZNAČENÍ |
A |
A1 |
B |
B1 |
C |
R |
D |
N |
T |
cena (Kč) |
ke stažení |
| VPUE-20-VA |
8 |
20 |
8 |
24 |
20 |
48 |
6,1 |
6 |
2 |
na dotaz |
pdf |
step |
| VPUE-30-VA |
13 |
30 |
13 |
34 |
30 |
73 |
6,1 |
6 |
2 |
na dotaz |
pdf |
step |
| VPUE-40-VA |
18 |
40 |
18 |
44 |
40 |
98 |
8,1 |
6 |
2,5 |
na dotaz |
pdf |
step |
| VPUE-45-VA |
20,5 |
45 |
20,5 |
49 |
45 |
112,5 |
8,1 |
6 |
2,5 |
na dotaz |
pdf |
step |
| VPUE-50-VA |
23 |
50 |
23 |
54 |
50 |
123 |
8,1 |
6 |
2,5 |
na dotaz |
pdf |
step |
Výztuha rámu TYP VPUF
|
 |
 |
| OZNAČENÍ |
A |
A1 |
B |
B1 |
C |
R |
D |
N |
T |
cena (Kč) |
ke stažení |
| VPUF-20-VA |
8 |
20 |
8 |
44 |
20 |
48 |
6,1 |
5 |
2 |
na dotaz |
pdf |
step |
| VPUF-30-VA |
13 |
30 |
13 |
64 |
30 |
73 |
6,1 |
5 |
2 |
na dotaz |
pdf |
step |
| VPUF-40-VA |
18 |
40 |
18 |
84 |
40 |
98 |
8,1 |
5 |
2,5 |
na dotaz |
pdf |
step |
| VPUF-45-VA |
20,5 |
45 |
20,5 |
94 |
45 |
112,5 |
8,1 |
5 |
2,5 |
na dotaz |
pdf |
step |
| VPUF-50-VA |
23 |
50 |
23 |
104 |
50 |
123 |
8,1 |
5 |
2,5 |
na dotaz |
pdf |
step |
Výztuha rámu TYP VPUG
|
 |
 |
| OZNAČENÍ |
A |
A1 |
B |
B1 |
C |
R |
D |
N |
T |
cena (Kč) |
ke stažení |
| VPUG-20-VA |
8 |
40 |
8 |
24 |
20 |
48 |
6,1 |
5 |
2 |
na dotaz |
pdf |
step |
| VPUG-30-VA |
13 |
60 |
13 |
34 |
30 |
73 |
6,1 |
5 |
2 |
na dotaz |
pdf |
step |
| VPUG-40-VA |
18 |
80 |
18 |
44 |
40 |
98 |
8,1 |
5 |
2,5 |
na dotaz |
pdf |
step |
| VPUG-45-VA |
20,5 |
90 |
20,5 |
49 |
45 |
112,5 |
8,1 |
5 |
2,5 |
na dotaz |
pdf |
step |
| VPUG-50-VA |
23 |
100 |
23 |
54 |
50 |
123 |
8,1 |
5 |
2,5 |
na dotaz |
pdf |
step |
Výztuha rámu TYP VPUH
|
 |
 |
| OZNAČENÍ |
A |
A1 |
B |
B1 |
C |
R |
D |
N |
T |
cena (Kč) |
ke stažení |
| VPUH-20-VA |
8 |
- |
8 |
- |
20 |
48 |
6,1 |
4 |
2 |
na dotaz |
pdf |
step |
| VPUH-30-VA |
13 |
- |
13 |
- |
30 |
73 |
6,1 |
4 |
2 |
na dotaz |
pdf |
step |
| VPUH-40-VA |
18 |
- |
18 |
- |
40 |
98 |
8,1 |
4 |
2,5 |
na dotaz |
pdf |
step |
| VPUH-45-VA |
20,5 |
- |
20,5 |
- |
45 |
112,5 |
8,1 |
4 |
2,5 |
na dotaz |
pdf |
step |
| VPUH-50-VA |
23 |
- |
23 |
- |
50 |
123 |
8,1 |
4 |
2,5 |
na dotaz |
pdf |
step |
Výztuha rámu TYP VPUJ
|
 |
 |
| OZNAČENÍ |
A |
A1 |
B |
B1 |
C |
R |
D |
N |
T |
cena (Kč) |
ke stažení |
| VPUJ-20-VA |
8 |
20 |
8 |
24 |
20 |
48 |
6,1 |
4 |
2 |
na dotaz |
pdf |
step |
| VPUJ-30-VA |
13 |
30 |
13 |
34 |
30 |
73 |
6,1 |
4 |
2 |
na dotaz |
pdf |
step |
| VPUJ-40-VA |
18 |
40 |
18 |
44 |
40 |
98 |
8,1 |
4 |
2,5 |
na dotaz |
pdf |
step |
| VPUJ-45-VA |
20,5 |
45 |
20,5 |
49 |
45 |
112,5 |
8,1 |
4 |
2,5 |
na dotaz |
pdf |
step |
| VPUJ-50-VA |
23 |
50 |
23 |
54 |
50 |
123 |
8,1 |
4 |
2,5 |
na dotaz |
pdf |
step |
Výztuha rámu TYP VPUK
|
 |
 |
| OZNAČENÍ |
A |
A1 |
B |
B1 |
C |
R |
D |
N |
T |
cena (Kč) |
ke stažení |
| VPUK-20-VA |
8 |
20 |
8 |
44 |
20 |
48 |
6,1 |
3 |
2 |
na dotaz |
pdf |
step |
| VPUK-30-VA |
13 |
30 |
13 |
64 |
30 |
73 |
6,1 |
3 |
2 |
na dotaz |
pdf |
step |
| VPUK-40-VA |
18 |
40 |
18 |
84 |
40 |
98 |
8,1 |
3 |
2,5 |
na dotaz |
pdf |
step |
| VPUK-45-VA |
20,5 |
45 |
20,5 |
94 |
45 |
112,5 |
8,1 |
3 |
2,5 |
na dotaz |
pdf |
step |
| VPUK-50-VA |
23 |
50 |
23 |
104 |
50 |
123 |
8,1 |
3 |
2,5 |
na dotaz |
pdf |
step |
|
|