| |
VÝZTUHY RÁMŮ PRO T SPOJE
Použití:
Výztuhy rámů slouží ke zvýšení tuhosti spoje hliníkových profilů. Jednotlivé typy výztuh odpovídají rozměrovým řadám profilů (20, 30, 40, 45, 50mm) a jsou rozděleny podle typu spojovaných profilů (jednoduché, dvojité).
Provedení:
Výztuhy jsou vyráběny z ocelového nerezového plechu bez povrchové úpravy. Výztuhy jsou pouze očištěny a veškeré hrany odjehleny.
Na základě požadavku zákazníka dodáváme i výztuhy na zakázku. Navrhujeme výztuhy tak, aby vyhovovaly přesně požadavkům zákazníka. Nestandardní rozměry, různé materiály, nebo povrchové úpravy. Spojovací materiál lze dodat na požádání (matice do profilů, šrouby, podložky...).
Případnou poptávku, nebo objednávku nám můžete zaslat na info@apme.cz, nebo zavolat na tel.: +420 604 287 322
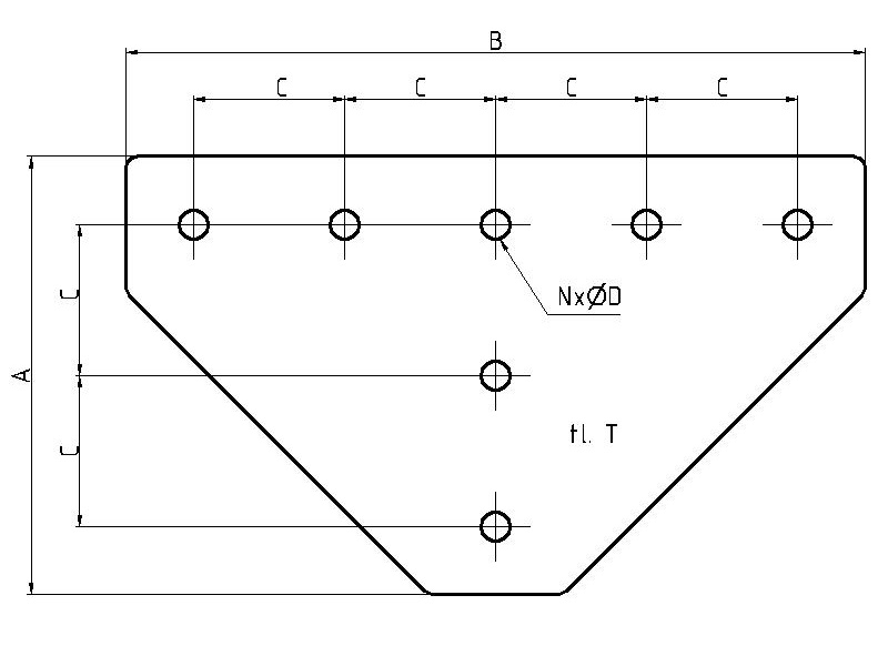
Výztuha rámu TYP VPLM
výztuha slouží ke spojení dvou profilů s jednou drážkou
|
 |
 |
| OZNAČENÍ |
A |
A1 |
B |
B1 |
C |
D |
N |
T |
cena (Kč) |
ke stažení |
| VPLM-20-VA |
36 |
- |
56 |
- |
20 |
6,1 |
4 |
2 |
na dotaz |
pdf |
step |
| VPLM-30-VA |
56 |
- |
86 |
- |
30 |
6,1 |
4 |
2 |
na dotaz |
pdf |
step |
| VPLM-40-VA |
76 |
- |
116 |
- |
40 |
8,1 |
4 |
2,5 |
na dotaz |
pdf |
step |
| VPLM-45-VA |
86 |
- |
131 |
- |
45 |
8,1 |
4 |
2,5 |
na dotaz |
pdf |
step |
| VPLM-50-VA |
96 |
- |
146 |
- |
50 |
8,1 |
4 |
2,5 |
na dotaz |
pdf |
step |
Výztuha rámu TYP VPLN
výztuha slouží ke spojení profilů s jednou drážkou (zesílené provedení)
|
 |
 |
| OZNAČENÍ |
A |
A1 |
B |
B1 |
C |
D |
N |
T |
cena (Kč) |
ke stažení |
| VPLN-20-VA |
56 |
- |
96 |
- |
20 |
6,1 |
7 |
2 |
na dotaz |
pdf |
step |
| VPLN-30-VA |
86 |
- |
146 |
- |
30 |
6,1 |
7 |
2 |
na dotaz |
pdf |
step |
| VPLN-40-VA |
116 |
- |
196 |
- |
40 |
8,1 |
7 |
2,5 |
na dotaz |
pdf |
step |
| VPLN-45-VA |
131 |
- |
221 |
- |
45 |
8,1 |
7 |
2,5 |
na dotaz |
pdf |
step |
| VPLN-50-VA |
146 |
- |
246 |
- |
50 |
8,1 |
7 |
2,5 |
na dotaz |
pdf |
step |
Výztuha rámu TYP VPLP
výztuha slouží ke spojení profilů se dvěmi drážkani
|
 |
 |
| OZNAČENÍ |
A |
A1 |
B |
B1 |
C |
D |
N |
T |
cena (Kč) |
ke stažení |
| VPLP-20-VA |
56 |
- |
76 |
- |
20 |
6,1 |
8 |
2 |
na dotaz |
pdf |
step |
| VPLP-30-VA |
86 |
- |
116 |
- |
30 |
6,1 |
8 |
2 |
na dotaz |
pdf |
step |
| VPLP-40-VA |
116 |
- |
156 |
- |
40 |
8,1 |
8 |
2,5 |
na dotaz |
pdf |
step |
| VPLP-45-VA |
131 |
- |
176 |
- |
45 |
8,1 |
8 |
2,5 |
na dotaz |
pdf |
step |
| VPLP-50-VA |
146 |
- |
196 |
- |
50 |
8,1 |
8 |
2,5 |
na dotaz |
pdf |
step |
Výztuha rámu TYP VPLQ
výztuha slouží ke spojení profilu s jednou drážkou s profilem se dvěmi drážkami
|
 |
 |
| OZNAČENÍ |
A |
A1 |
B |
B1 |
C |
D |
N |
T |
cena (Kč) |
ke stažení |
| VPLQ-20-VA |
36 |
- |
76 |
- |
20 |
6,1 |
6 |
2 |
na dotaz |
pdf |
step |
| VPLQ-30-VA |
56 |
- |
116 |
- |
30 |
6,1 |
6 |
2 |
na dotaz |
pdf |
step |
| VPLQ-40-VA |
76 |
- |
156 |
- |
40 |
8,1 |
6 |
2,5 |
na dotaz |
pdf |
step |
| VPLQ-45-VA |
86 |
- |
176 |
- |
45 |
8,1 |
6 |
2,5 |
na dotaz |
pdf |
step |
| VPLQ-50-VA |
96 |
- |
196 |
- |
50 |
8,1 |
6 |
2,5 |
na dotaz |
pdf |
step |
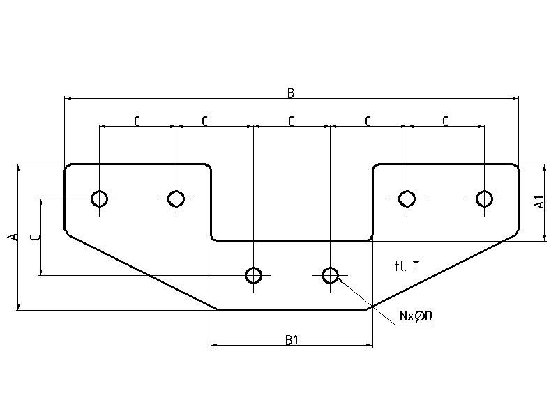
Výztuha rámu TYP VPLR
výztuha s výřezem slouží ke spojení dvou profilů s jednou drážkou, výřez umožňuje napojení dalšího profilu
|
 |
 |
| OZNAČENÍ |
A |
A1 |
B |
B1 |
C |
D |
N |
T |
cena (Kč) |
ke stažení |
| VPLR-20-VA |
36 |
20 |
56 |
24 |
- |
6,1 |
3 |
2 |
na dotaz |
pdf |
step |
| VPLR-30-VA |
56 |
30 |
86 |
34 |
- |
6,1 |
3 |
2 |
na dotaz |
pdf |
step |
| VPLR-40-VA |
76 |
40 |
116 |
44 |
- |
8,1 |
3 |
2,5 |
na dotaz |
pdf |
step |
| VPLR-45-VA |
86 |
45 |
131 |
49 |
- |
8,1 |
3 |
2,5 |
na dotaz |
pdf |
step |
| VPLR-50-VA |
96 |
50 |
146 |
54 |
- |
8,1 |
3 |
2,5 |
na dotaz |
pdf |
step |
Výztuha rámu TYP VPLS
výztuha s výřezem slouží ke spojení dvou profilů s jednou drážkou (zesílené provedení), výřez umožňuje napojení dalšího profilu
|
 |
 |
| OZNAČENÍ |
A |
A1 |
B |
B1 |
C |
D |
N |
T |
cena (Kč) |
ke stažení |
| VPLS-20-VA |
56 |
20 |
96 |
24 |
20 |
6,1 |
6 |
2 |
na dotaz |
pdf |
step |
| VPLS-30-VA |
86 |
30 |
146 |
34 |
30 |
6,1 |
6 |
2 |
na dotaz |
pdf |
step |
| VPLS-40-VA |
116 |
40 |
196 |
44 |
40 |
8,1 |
6 |
2,5 |
na dotaz |
pdf |
step |
| VPLS-45-VA |
131 |
45 |
221 |
49 |
45 |
8,1 |
6 |
2,5 |
na dotaz |
pdf |
step |
| VPLS-50-VA |
146 |
50 |
246 |
54 |
50 |
8,1 |
6 |
2,5 |
na dotaz |
pdf |
step |
Výztuha rámu TYP VPLT
výztuha s výřezem slouží ke spojení profilu s jednou drážkou s profilem se dvěmi drážkami, výřez umožňuje napojení dalšího profilu
|
 |
 |
| OZNAČENÍ |
A |
A1 |
B |
B1 |
C |
D |
N |
T |
cena (Kč) |
ke stažení |
| VPLT-20-VA |
36 |
20 |
76 |
44 |
20 |
6,1 |
4 |
2 |
na dotaz |
pdf |
step |
| VPLT-30-VA |
56 |
30 |
116 |
64 |
30 |
6,1 |
4 |
2 |
na dotaz |
pdf |
step |
| VPLT-40-VA |
76 |
40 |
156 |
84 |
40 |
8,1 |
4 |
2,5 |
na dotaz |
pdf |
step |
| VPLT-45-VA |
86 |
45 |
171 |
94 |
45 |
8,1 |
4 |
2,5 |
na dotaz |
pdf |
step |
| VPLT-50-VA |
96 |
50 |
196 |
104 |
50 |
8,1 |
4 |
2,5 |
na dotaz |
pdf |
step |
Výztuha rámu TYP VPLU
výztuha s výřezem slouží ke spojení profilu se dvěmi drážkami s profilem s jednou drážkou, výřez umožňuje napojení dalšího profilu
|
 |
 |
| OZNAČENÍ |
A |
A1 |
B |
B1 |
C |
D |
N |
T |
cena (Kč) |
ke stažení |
| VPLU-20-VA |
36 |
20 |
116 |
44 |
20 |
6,1 |
6 |
2 |
na dotaz |
pdf |
step |
| VPLU-30-VA |
56 |
30 |
176 |
64 |
30 |
6,1 |
6 |
2 |
na dotaz |
pdf |
step |
| VPLU-40-VA |
76 |
40 |
236 |
84 |
40 |
8,1 |
6 |
2,5 |
na dotaz |
pdf |
step |
| VPLU-45-VA |
86 |
45 |
266 |
94 |
45 |
8,1 |
6 |
2,5 |
na dotaz |
pdf |
step |
| VPLU-50-VA |
96 |
50 |
296 |
104 |
50 |
8,1 |
6 |
2,5 |
na dotaz |
pdf |
step |
Výztuha rámu TYP VPLV
výztuha s výřezem slouží ke spojení profilů se dvěmi drážkami, výřez umožňuje napojení dalšího profilu
|
 |
 |
| OZNAČENÍ |
A |
A1 |
B |
B1 |
C |
D |
N |
T |
cena (Kč) |
ke stažení |
| VPLV-20-VA |
56 |
20 |
76 |
44 |
20 |
6,1 |
8 |
2 |
na dotaz |
pdf |
step |
| VPLV-30-VA |
86 |
30 |
116 |
64 |
30 |
6,1 |
8 |
2 |
na dotaz |
pdf |
step |
| VPLV-40-VA |
116 |
40 |
156 |
84 |
40 |
8,1 |
8 |
2,5 |
na dotaz |
pdf |
step |
| VPLV-45-VA |
131 |
45 |
176 |
94 |
45 |
8,1 |
8 |
2,5 |
na dotaz |
pdf |
step |
| VPLV-50-VA |
146 |
50 |
196 |
104 |
50 |
8,1 |
8 |
2,5 |
na dotaz |
pdf |
step |
Výztuha rámu TYP VPLW
výztuha s výřezem slouží ke spojení profilů se dvěmi drážkami, výřez umožňuje napojení dalšího profilu se dvěmi drážkami
|
 |
 |
| OZNAČENÍ |
A |
A1 |
B |
B1 |
C |
D |
N |
T |
cena (Kč) |
ke stažení |
| VPLW-20-VA |
76 |
40 |
116 |
44 |
20 |
6,1 |
12 |
2 |
na dotaz |
pdf |
step |
| VPLW-30-VA |
116 |
60 |
176 |
64 |
30 |
6,1 |
12 |
2 |
na dotaz |
pdf |
step |
| VPLW-40-VA |
156 |
80 |
236 |
84 |
40 |
8,1 |
12 |
2,5 |
na dotaz |
pdf |
step |
| VPLW-45-VA |
176 |
90 |
266 |
94 |
45 |
8,1 |
12 |
2,5 |
na dotaz |
pdf |
step |
| VPLW-50-VA |
196 |
100 |
296 |
104 |
50 |
8,1 |
12 |
2,5 |
na dotaz |
pdf |
step |
|
|