VÝZTUHY RÁMŮ OHÝBANÉ

Použití:

Výztuhy rámů slouží ke zvýšení tuhosti spoje hliníkových profilů. Jednotlivé typy výztuh odpovídají rozměrovým řadám profilů (20, 30, 40, 45, 50mm) a jsou rozděleny podle typu spojovaných profilů (jednoduché, dvojité). 

Provedení:

Výztuhy jsou vyráběny z ocelového nerezového plechu bez povrchové úpravy. Výztuhy z nerezového plechu jsou pouze očištěny a veškeré hrany odjehleny.

Na základě požadavku zákazníka dodáváme i výztuhy na zakázku. Navrhujeme výztuhy tak, aby vyhovovaly přesně požadavkům zákazníka. Nestandardní rozměry, různé materiály, nebo povrchové úpravy.
Spojovací materiál lze dodat na požádání (matice do profilů, šrouby, podložky...).

Případnou poptávku, nebo objednávku nám můžete zaslat na info@apme.cz, nebo zavolat na tel.: +420 604 287 322 

Výztuhy rámu TYP VOHA

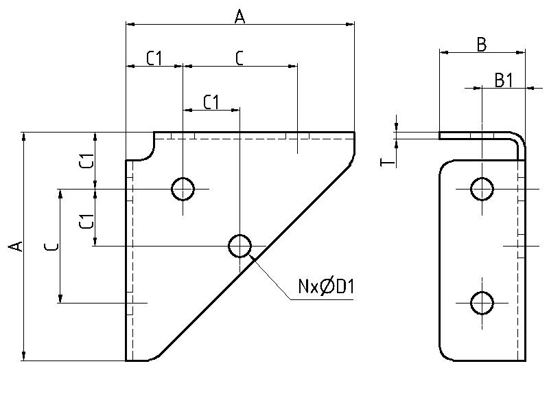
výztuha slouží ke spojení dvou profilů. s jednou drážkou. Pro spoje z profilů se dvěmi drážkami se instalují dvě výztuhy vedle sebe. Boční otvory ve výztuze jsou využívány většinou k uchycení výplně rámu.

Výztuha rámu typ VOHA Výztuha rámu typ VOHA
OZNAČENÍ A B B1 C C1 D1 N T cena (Kč) ke stažení
VOHA-20-VA 40 18 10 10 20 6.1 3 2 na dotaz pdf step
VOHA-30-VA 60 24 12 30 15 6.1 6 2 na dotaz pdf step
VOHA-40-VA 80 30 17.5 40 20 8.1 6 2.5 na dotaz pdf step
VOHA-45-VA 90 30 17.5 45 22.5 8.1 6 2.5 na dotaz pdf step
VOHA-50-VA 100 30 17.5 50 25 8.1 6 2.5 na dotaz pdf step

 

 
     

 

inPagewebové stránky s AI, doménawebhosting u jediného 5★ registrátora v ČR