| |
VÝZTUHY RÁMŮ PLOCHÉ
Použití:
Výztuhy rámů slouží ke zvýšení tuhosti spoje hliníkových profilů. Jednotlivé typy výztuh odpovídají rozměrovým řadám profilů (20, 30, 40, 45, 50mm) a jsou rozděleny podle typu spojovaných profilů (jednoduché, dvojité).
Provedení:
Výztuhy jsou vyráběny z ocelového nerezového plechu bez povrchové úpravy. Výztuhy z nerezového plechu jsou pouze očištěny a veškeré hrany odjehleny.
Na základě požadavku zákazníka dodáváme i výztuhy na zakázku. Navrhujeme výztuhy tak, aby vyhovovaly přesně požadavkům zákazníka. Nestandardní rozměry, různé materiály, nebo povrchové úpravy. Spojovací materiál lze dodat na požádání (matice do profilů, šrouby, podložky...).
Případnou poptávku, nebo objednávku nám můžete zaslat na info@apme.cz, nebo zavolat na tel.: +420 604 287 322
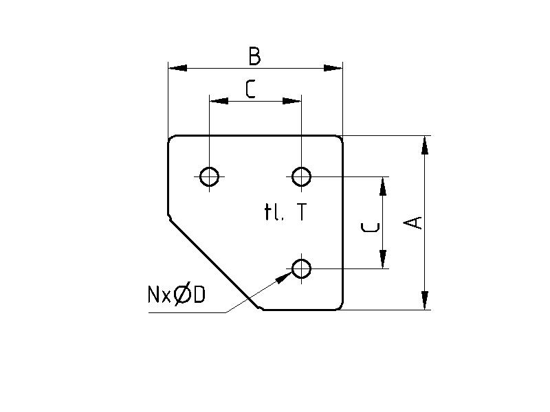
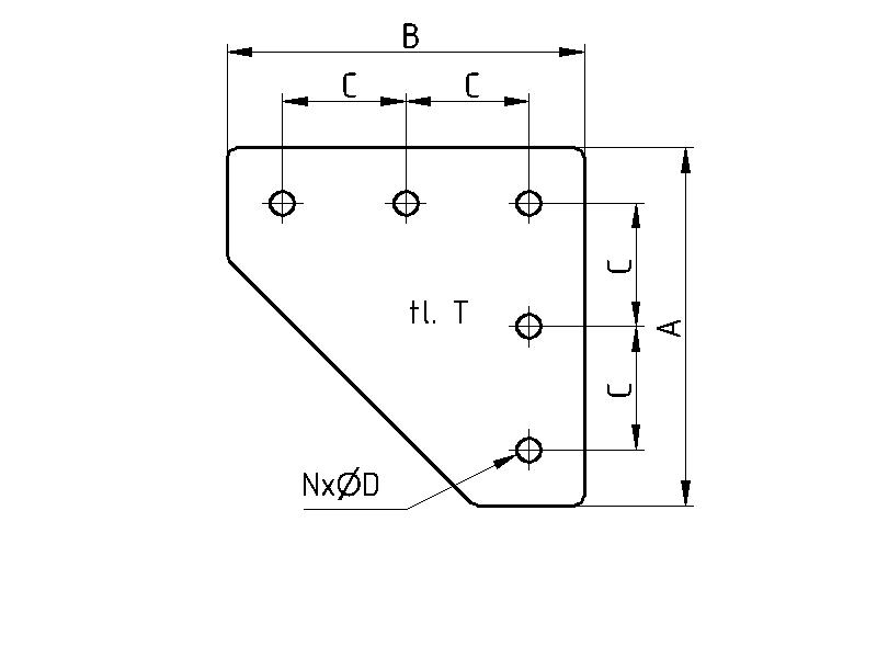
Výztuha rámu TYP VPLA
výztuha slouží ke spojení dvou profilů s jednou drážkou
|
 |
 |
| OZNAČENÍ |
A |
A1 |
B |
B1 |
C |
D |
N |
T |
cena (Kč) |
ke stažení |
| VPLA-20-VA |
36 |
- |
36 |
- |
20 |
6,1 |
3 |
2 |
na dotaz |
pdf |
step |
| VPLA-30-VA |
56 |
- |
56 |
- |
30 |
6,1 |
3 |
2 |
na dotaz |
pdf |
step |
| VPLA-40-VA |
76 |
- |
76 |
- |
40 |
8,1 |
3 |
2,5 |
na dotaz |
pdf |
step |
| VPLA-45-VA |
86 |
- |
86 |
- |
45 |
8,1 |
3 |
2,5 |
na dotaz |
pdf |
step |
| VPLA-50-VA |
96 |
- |
96 |
- |
50 |
8,1 |
3 |
2,5 |
na dotaz |
pdf |
step |
Výztuha rámu TYP VPLB
výztuha slouží ke spojení profilů s jednou drážkou (zesílené provedení)
|
 |
 |
| OZNAČENÍ |
A |
A1 |
B |
B1 |
C |
D |
N |
T |
cena (Kč) |
ke stažení |
| VPLB-20-VA |
56 |
- |
56 |
- |
20 |
6,1 |
5 |
2 |
na dotaz |
pdf |
step |
| VPLB-30-VA |
86 |
- |
86 |
- |
30 |
6,1 |
5 |
2 |
na dotaz |
pdf |
step |
| VPLB-40-VA |
116 |
- |
116 |
- |
40 |
8,1 |
5 |
2,5 |
na dotaz |
pdf |
step |
| VPLB-45-VA |
131 |
- |
131 |
- |
45 |
8,1 |
5 |
2,5 |
na dotaz |
pdf |
step |
| VPLB-50-VA |
146 |
- |
146 |
- |
50 |
8,1 |
5 |
2,5 |
na dotaz |
pdf |
step |
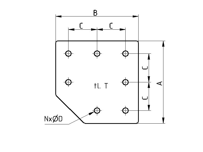
Výztuha rámu TYP VPLC
výztuha slouží ke spojení profilů se dvěmi drážkani
|
 |
 |
| OZNAČENÍ |
A |
A1 |
B |
B1 |
C |
D |
N |
T |
cena (Kč) |
ke stažení |
| VPLC-20-VA |
56 |
- |
56 |
- |
20 |
6,1 |
7 |
2 |
na dotaz |
pdf |
step |
| VPLC-30-VA |
86 |
- |
86 |
- |
30 |
6,1 |
7 |
2 |
na dotaz |
pdf |
step |
| VPLC-40-VA |
116 |
- |
116 |
- |
40 |
8,1 |
7 |
2,5 |
na dotaz |
pdf |
step |
| VPLC-45-VA |
131 |
- |
131 |
- |
45 |
8,1 |
7 |
2,5 |
na dotaz |
pdf |
step |
| VPLC-50-VA |
146 |
- |
146 |
- |
50 |
8,1 |
7 |
2,5 |
na dotaz |
pdf |
step |
Výztuha rámu TYP VPLD
výztuha slouží ke spojení profilu s jednou drážkou s profilem se dvěmi drážkami
|
 |
 /td> |
| OZNAČENÍ |
A |
A1 |
B |
B1 |
C |
D |
N |
T |
cena (Kč) |
ke stažení |
| VPLD-20-VA |
36 |
- |
56 |
- |
20 |
6,1 |
5 |
2 |
na dotaz |
pdf |
step |
| VPLD-30-VA |
56 |
- |
86 |
- |
30 |
6,1 |
5 |
2 |
na dotaz |
pdf |
step |
| VPLD-40-VA |
76 |
- |
116 |
- |
40 |
8,1 |
5 |
2,5 |
na dotaz |
pdf |
step |
| VPLD-45-VA |
86 |
- |
131 |
- |
45 |
8,1 |
5 |
2,5 |
na dotaz |
pdf |
step |
| VPLD-50-VA |
96 |
- |
146 |
- |
50 |
8,1 |
5 |
2,5 |
na dotaz |
pdf |
step |
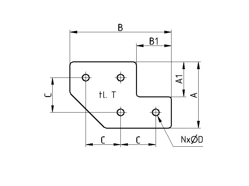
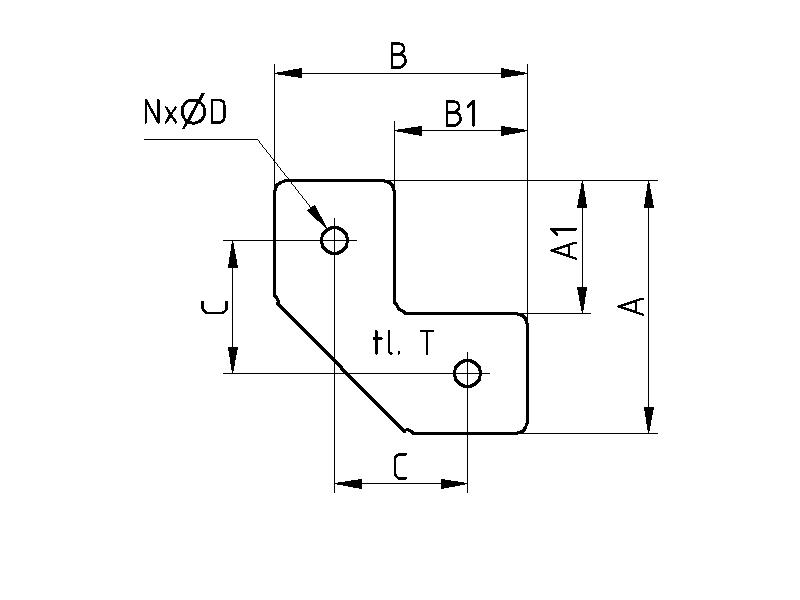
Výztuha rámu TYP VPLE
výztuha s výřezem slouží ke spojení dvou profilů s jednou drážkou, výřez umožňuje napojení dalšího profilu
|
 |
 |
| OZNAČENÍ |
A |
A1 |
B |
B1 |
C |
D |
N |
T |
cena (Kč) |
ke stažení |
| VPLE-20-VA |
36 |
20 |
36 |
20 |
20 |
6,1 |
2 |
2 |
na dotaz |
pdf |
step |
| VPLE-30-VA |
56 |
30 |
56 |
30 |
30 |
6,1 |
2 |
2 |
na dotaz |
pdf |
step |
| VPLE-40-VA |
76 |
40 |
76 |
40 |
40 |
8,1 |
2 |
2,5 |
na dotaz |
pdf |
step |
| VPLE-45-VA |
86 |
45 |
86 |
45 |
45 |
8,1 |
2 |
2,5 |
na dotaz |
pdf |
step |
| VPLE-50-VA |
96 |
50 |
96 |
50 |
50 |
8,1 |
2 |
2,5 |
na dotaz |
pdf |
step |
Výztuha rámu TYP VPLF
výztuha s výřezem slouží ke spojení dvou profilů s jednou drážkou (zesílené provedení), výřez umožňuje napojení dalšího profilu
|
 |
 |
| OZNAČENÍ |
A |
A1 |
B |
B1 |
C |
D |
N |
T |
cena (Kč) |
ke stažení |
| VPLF-20-VA |
56 |
20 |
56 |
20 |
20 |
6,1 |
4 |
2 |
na dotaz |
pdf |
step |
| VPLF-30-VA |
86 |
30 |
86 |
30 |
30 |
6,1 |
4 |
2 |
na dotaz |
pdf |
step |
| VPLF-40-VA |
116 |
40 |
116 |
40 |
40 |
8,1 |
4 |
2,5 |
na dotaz |
pdf |
step |
| VPLF-45-VA |
131 |
45 |
131 |
45 |
45 |
8,1 |
4 |
2,5 |
na dotaz |
pdf |
step |
| VPLF-50-VA |
146 |
50 |
146 |
50 |
50 |
8,1 |
4 |
2,5 |
na dotaz |
pdf |
step |
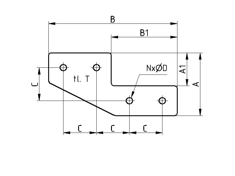
Výztuha rámu TYP VPLG
výztuha s výřezem slouží ke spojení profilu s jednou drážkou s profilem se dvěmi drážkami, výřez umožňuje napojení dalšího profilu
|
 |
 |
| OZNAČENÍ |
A |
A1 |
B |
B1 |
C |
D |
N |
T |
cena (Kč) |
ke stažení |
| VPLG-20-VA |
36 |
20 |
56 |
20 |
20 |
6,1 |
4 |
2 |
na dotaz |
pdf |
step |
| VPLG-30-VA |
56 |
30 |
86 |
30 |
30 |
6,1 |
4 |
2 |
na dotaz |
pdf |
step |
| VPLG-40-VA |
76 |
40 |
116 |
40 |
40 |
8,1 |
4 |
2,5 |
na dotaz |
pdf |
step |
| VPLG-45-VA |
86 |
45 |
131 |
45 |
45 |
8,1 |
4 |
2,5 |
na dotaz |
pdf |
step |
| VPLG-50-VA |
96 |
50 |
146 |
50 |
50 |
8,1 |
4 |
2,5 |
na dotaz |
pdf |
step |
Výztuha rámu TYP VPLH
výztuha s výřezem slouží ke spojení profilu se dvěmi drážkami s profilem s jednou drážkou, výřez umožňuje napojení dalšího profilu
|
 |
 |
| OZNAČENÍ |
A |
A1 |
B |
B1 |
C |
D |
N |
T |
cena (Kč) |
ke stažení |
| VPLH-20-VA |
36 |
20 |
76 |
40 |
20 |
6,1 |
4 |
2 |
na dotaz |
pdf |
step |
| VPLH-30-VA |
56 |
30 |
116 |
60 |
30 |
6,1 |
4 |
2 |
na dotaz |
pdf |
step |
| VPLH-40-VA |
76 |
40 |
156 |
80 |
40 |
8,1 |
4 |
2,5 |
na dotaz |
pdf |
step |
| VPLH-45-VA |
86 |
45 |
176 |
90 |
45 |
8,1 |
4 |
2,5 |
na dotaz |
pdf |
step |
| VPLH-50-VA |
96 |
50 |
196 |
100 |
50 |
8,1 |
4 |
2,5 |
na dotaz |
pdf |
step |
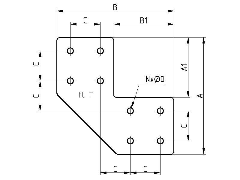
Výztuha rámu TYP VPLJ
výztuha s výřezem slouží ke spojení profilů se dvěmi drážkami, výřez umožňuje napojení dalšího profilu
|
 |
 |
| OZNAČENÍ |
A |
A1 |
B |
B1 |
C |
D |
N |
T |
cena (Kč) |
ke stažení |
| VPLJ-20-VA |
56 |
20 |
56 |
20 |
20 |
6,1 |
7 |
2 |
na dotaz |
pdf |
step |
| VPLJ-30-VA |
86 |
30 |
86 |
30 |
30 |
6,1 |
7 |
2 |
na dotaz |
pdf |
step |
| VPLJ-40-VA |
116 |
40 |
116 |
40 |
40 |
8,1 |
7 |
2,5 |
na dotaz |
pdf |
step |
| VPLJ-45-VA |
131 |
45 |
131 |
45 |
45 |
8,1 |
7 |
2,5 |
na dotaz |
pdf |
step |
| VPLJ-50-VA |
146 |
50 |
146 |
50 |
50 |
8,1 |
7 |
2,5 |
na dotaz |
pdf |
step |
Výztuha rámu TYP VPLK
výztuha s výřezem slouží ke spojení profilů se dvěmi drážkami, výřez umožňuje napojení dalšího profilu se dvěmi drážkami
|
 |
 |
| OZNAČENÍ |
A |
A1 |
B |
B1 |
C |
D |
N |
T |
cena (Kč) |
ke stažení |
| VPLK-20-VA |
56 |
20 |
56 |
40 |
20 |
6,1 |
6 |
2 |
na dotaz |
pdf |
step |
| VPLK-30-VA |
86 |
30 |
86 |
60 |
30 |
6,1 |
6 |
2 |
na dotaz |
pdf |
step |
| VPLK-40-VA |
116 |
40 |
116 |
80 |
40 |
8,1 |
6 |
2,5 |
na dotaz |
pdf |
step |
| VPLK-45-VA |
131 |
45 |
131 |
90 |
45 |
8,1 |
6 |
2,5 |
na dotaz |
pdf |
step |
| VPLK-50-VA |
146 |
50 |
146 |
100 |
50 |
8,1 |
6 |
2,5 |
na dotaz |
pdf |
step |
Výztuha rámu TYP VPLL
výztuha s výřezem slouží ke spojení profilů se dvěmi drážkami, výřez umožňuje napojení dalšího profilu
|
 |
 |
| OZNAČENÍ |
A |
A1 |
B |
B1 |
C |
D |
N |
T |
cena (Kč) |
ke stažení |
| VPLL-20-VA |
76 |
40 |
76 |
40 |
20 |
6,1 |
8 |
2 |
na dotaz |
pdf |
step |
| VPLL-30-VA |
116 |
60 |
116 |
60 |
30 |
6,1 |
8 |
2 |
na dotaz |
pdf |
step |
| VPLL-40-VA |
156 |
80 |
156 |
80 |
40 |
8,1 |
8 |
2,5 |
na dotaz |
pdf |
step |
| VPLL-45-VA |
176 |
90 |
176 |
90 |
45 |
8,1 |
8 |
2,5 |
na dotaz |
pdf |
step |
| VPLL-50-VA |
196 |
100 |
196 |
100 |
50 |
8,1 |
8 |
2,5 |
na dotaz |
pdf |
step |
|
|