Stavitelné nohy pro čisté prostory - nízké provedení

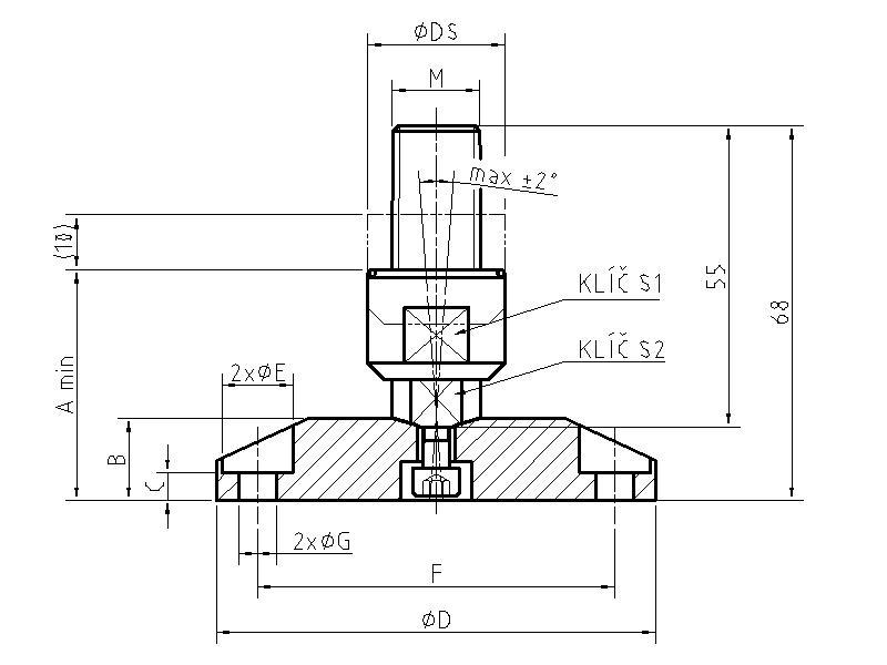
Stavitelné nohy výkyvné nerezové pro čisté prostory jsou nabízeny ve standardních rozměrech od M10 do M20 s průměrem talíře od 20 do 100mm. V tabulce jsou uvedeny základní rozměry a odkazy ke stažení souborů ve formátu dwg, stp a pdf. Závit této stavitelné nohy je v dolní části krytý a utěsněný dvěmi o-kroužky. Tím je výrazně omezeno usazování nečistot v profilu závitu.

Nohy jsou také nabízeny v provedení vysokém, s celkovou zvýšenou výškou.

Stavitelné nohy nabízíme i ve standardním provedení.

Případnou poptávku, nebo objednávku nám můžete zaslat na info@apme.cz, nebo zavolat na tel.: +420 604 287 322 

OZNAČENÍ

A

B

C

D

E

F

G

M

S1

S2

DS

dop. max. zatížení

 cena (Kč)

ke stažení

Noha výkyvná pro čisté prostory Noha výkyvná pro čisté prostory

OZNAČENÍ

A

B

C

D

E

F

G

M

S1

S2

DS

dop. max. zatížení

 cena (Kč)

ke stažení

CPK100K/M20-VA/VA

88

16 

 5

100

 13 

 85

 7 

M20

27

17

30

28000N (2800kg)

na dotaz

dwg

step

pdf

CPK80K/M20-VA/VA

88

16

5

80

13

65

7

M20

27

17

30

28000N (2800kg)

na dotaz

dwg

step

pdf

CPK60K/M20-VA/VA

88

16

5

60

13

45

7

M20

27

17

30

28000N (2800kg)

na dotaz

dwg

step

pdf

CPK100/M20-VA/VA

88

16

-

100

-

-

-

M20

27

17

30

28000N (2800kg)

na dotaz

dwg

step

pdf

CPK80/M20-VA/VA

88

16

-

80

-

-

-

M20

27

17

30

28000N (2800kg)

na dotaz

dwg

step

pdf

CPK60/M20-VA/VA

88

16

-

60

-

-

-

M20

27

17

30

28000N (2800kg)

na dotaz

dwg

step

pdf

CPK50/M20-VA/VA

88

16

-

50

-

-

-

M20

27

17

30

28000N (2800kg)

na dotaz

dwg

step

pdf

CPK40/M20-VA/VA

88

16

-

40

-

-

-

M20

27

17

30

21500N (2150kg)

na dotaz

dwg

step

pdf

CPK30/M20-VA/VA

88

16

-

30

-

-

-

M20

27

17

30

10600N (1060kg)

na dotaz

dwg

step

pdf

CPK100K/M16-VA/VA

82

15

5

100

13

85

7

M16

22

13

25

15000N (1500kg)

na dotaz

dwg

step

pdf

CPK80K/M16-VA/VA

82

15

5

80

13

65

7

M16

22

13

25

15000N (1500kg)

na dotaz

dwg

step

pdf

CPK60K/M16-VA/VA

82

15

5

60

13

45

7

M16

22

13

25

15000N (1500kg)

na dotaz

dwg

step

pdf

CPK50K/M16-VA/VA

82

15

5

50

13

35

7

M16

22

13

25

15000N (1500kg)

na dotaz

dwg

step

pdf

CPK100/M16-VA/VA

82

15

-

100

-

-

-

M16

22

13

25

15000N (1500kg)

na dotaz

dwg

step

pdf

CPK80/M16-VA/VA

82

15

-

80

-

-

-

M16

22

13

25

15000N (1500kg)

na dotaz

dwg

step

pdf

CPK60/M16-VA/VA

82

15

-

60

-

-

-

M16

22

13

25

15000N (1500kg)

na dotaz

dwg

step

pdf

CPK50/M16-VA/VA

82

15

-

50

-

-

-

M16

22

13

25

15000N (1500kg)

na dotaz

dwg

step

pdf

CPK40/M16-VA/VA

82

15

-

40

-

-

-

M16

22

13

25

15000N (1500kg)

na dotaz

dwg

step

pdf

CPK30/M16-VA/VA

82

15

-

 30

-

-

-

M16

22

13

25

10600N (1060kg)

na dotaz

dwg

step

pdf

CPK20/M16-VA/VA

82

15

-

20

-

-

-

M16

22

13

25

2750N (275kg)

na dotaz

dwg

step

pdf

CPK100K/M14-VA/VA

82

15

5

100

13

85

7

M14

22

11

25

9800N (980kg)

na dotaz

dwg

step

pdf

CPK80K/M14-VA/VA

82

15

5

80

13

65

7

M14

22

11

25

9800N (980kg)

na dotaz

dwg

step

pdf

CPK60K/M14-VA/VA

82

15

5

60

13

45

7

M14

22

11

25

9800N (980kg)

na dotaz

dwg

step

pdf

CPK50K/M14-VA/VA

82

15

5

50

13

35

7

M14

22

11

25

9800N (980kg)

na dotaz

dwg

step

pdf

CPK100/M14-VA/VA

82

15

-

100

-

-

-

M14

22

11

25

9800N (980kg)

na dotaz

dwg

step

pdf

CPK80/M14-VA/VA

82

15

-

80

-

-

-

M14

22

11

25

9800N (980kg)

na dotaz

dwg

step

pdf

CPK60/M14-VA/VA

82

15

-

60

-

-

-

M14

22

11

25

9800N (980kg)

na dotaz

dwg

step

pdf

CPK50/M14-VA/VA

82

15

-

50

-

-

-

M14

22

11

25

9800N (980kg)

na dotaz

dwg

step

pdf

CPK40/M14-VA/VA

82

15

-

40

-

-

-

M14

22

11

25

9800N (980kg)

na dotaz

dwg

step

pdf

CPK30/M14-VA/VA

82

15

-

30

-

-

-

M14

22

11

25

9800N (980kg)

na dotaz

dwg

step

pdf

CPK20/M14-VA/VA

82

15

-

20

-

-

-

M14

22

11

25

2750N (275kg)

na dotaz

dwg

step

pdf

CPK100K/M12-VA/VA

82 

14

5

100

13

85

7

M12

22

10

25

6200N (620kg)

na dotaz

dwg

step

pdf

CPK80K/M12-VA/VA

82

14

5

80

13

65

7

M12

22

10

25

6200N (620kg)

na dotaz

dwg

step

pdf

CPK60K/M12-VA/VA

82

14

5

60

13

45

7

M12

22

10

25

6200N (620kg)

na dotaz

dwg

step

pdf

CPK50K/M12-VA/VA

82

14

5

50

13

35

7

M12

22

10

25

6200N (620kg)

na dotaz

dwg

step

pdf

CPK100/M12-VA/VA

82

14

-

100

-

-

-

M12

22

10

25

6200N (620kg)

na dotaz

dwg

step

pdf

CPK80/M12-VA/VA

82

14

-

80

-

-

-

M12

22

10

25

6200N (620kg)

na dotaz

dwg

step

pdf

CPK60/M12-VA/VA

82

14

-

60

-

-

-

M12

22

10

25

6200N (620kg)

na dotaz

dwg

step

pdf

CPK50/M12-VA/VA

82

14

-

50

-

-

-

M12

22

10

25

6200N (620kg)

na dotaz

dwg

step

pdf

 CPK40/M12-VA/VA

82

14

-

40

-

-

-

M12

22

10

25

6200N (620kg)

na dotaz

dwg

step

pdf

 CPK30/M12-VA/VA

82

14

-

30

-

-

-

M12

22

10

25

6200N (620kg)

na dotaz

dwg

step

pdf

CPK20/M12-VA/VA

82

14

-

20

-

-

-

M12

22

10

25

2750N (275kg)

na dotaz

dwg

step

pdf

CPK100K/M10-VA/VA

82

14

5

100

13

85

7

M10

17

8

20

2100N (210kg)

na dotaz

dwg

step

pdf

CPK80K/M10-VA/VA

82

14

5

80

13

65

7

M10

17

8

20

2100N (210kg)

na dotaz

dwg

step

pdf

CPK60K/M10-VA/VA

82

14

5

60

13

45

7

M10

17

8

20

2100N (210kg)

na dotaz

dwg

step

pdf

CPK50K/M10-VA/VA

82

14

5

50

13

35

7

M10

17

8

20

2100N (210kg)

na dotaz

dwg

step

pdf

CPK100/M10-VA/VA

82

14

-

100

-

-

-

M10

17

8

20

2100N (210kg)

na dotaz

dwg

step

pdf

CPK80/M10-VA/VA

82

14

-

80

-

-

-

M10

17

8

20

2100N (210kg)

na dotaz

dwg

step

pdf

CPK60/M10-VA/VA

82

14

-

60

-

-

-

M10

17

8

20

2100N (210kg)

na dotaz

dwg

step

pdf

CPK50/M10-VA/VA

82

14

-

50

-

-

-

M10

17

8

20

2100N (210kg)

na dotaz

dwg

step

pdf

CPK40/M10-VA/VA

82

14

-

40

-

-

-

M10

17

8

20

2100N (210kg)

na dotaz

dwg

step

pdf

CPK30/M10-VA/VA

82

14

-

30

-

-

-

M10

17

8

20

2100N (210kg)

na dotaz

dwg

step

pdf

CPK20/M10-VA/VA

82

14

-

20

-

-

-

M10

17

8

20

2100N (210kg)

na dotaz

dwg

step

pdf


 
     

 

inPagewebové stránky s AI, doménawebhosting u jediného 5★ registrátora v ČR