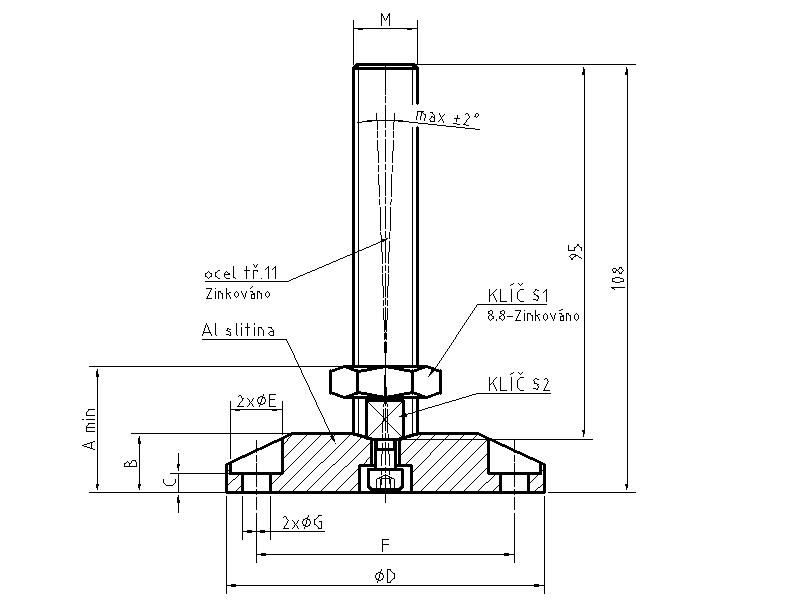
Stavitelné nohy kombinované

Stavitelné nohy výkyvné jsou nabízeny ve standardních rozměrech od M10 do M20 s průměrem talíře od 20 do 100mm. V tabulce jsou uvedeny základní rozměry a odkazy ke stažení souborů ve formátu dwg, stp a pdf. Stavitelné nohy jsou i v provedení ocelovém, nerezovém a hliníkovém.

Stavitelné nohy nabízíme i v provedení vhodném pro čisté prostory.

Stavitelné nohy můžete objednat v našem e-shopu, můžete nás také kontaktovat přímo na emailovou  adresu info@apme.cz, nebo zavolat na tel.: +420 604 287 322 

Noha stavitelná výkyvná Noha stavitelná výkyvná

OZNAČENÍ

A

B

C

D

E

F

G

M

S1

S2

dop. max. zatížení

ke stažení

100K/M20-Al/St

35

16

5

100

13

85

7

M20

30

17

15000N (1500kg)

dwg

step

pdf

80K/M20-Al/St

35

16

5

80

13

65

7

M20

30

17

15000N (1500kg)

dwg

step

pdf

60K/M20-Al/St

35

16

5

60

13

45

7

M20

30

17

15000N (1500kg)

dwg

step

pdf

100/M20-Al/St

35

16

-

100

-

-

-

M20

30

17

15000N (1500kg)

dwg

step

pdf

80/M20-Al/St

35

16

-

80

-

-

-

M20

30

17

15000N (1500kg)

dwg

step

pdf

60/M20-Al/St

35

16

-

60

-

-

-

M20

30

17

15000N (1500kg)

dwg

step

pdf

50/M20-Al/St

35

16

-

50

-

-

-

M20

30

17

15000N (1500kg)

dwg

step

pdf

40/M20-Al/St

35

16

-

40

-

-

-

M20

30

17

15000N (1500kg)

dwg

step

pdf

30/M20-Al/St

35

16

-

30

-

-

-

M20

30

17

10600N (1060kg)

dwg

step

pdf

100K/M16-Al/St

32

15

5

100

13

85

7

M16

24

13

8300N (830kg)

dwg

step

pdf

80K/M16-Al/St

32

15

5

80

13

65

7

M16

24

13

8300N (830kg)

dwg

step

pdf

60K/M16-Al/St

32

15

5

60

13

45

7

M16

24

13

8300N (830kg)

dwg

step

pdf

50K/M16-Al/St

32

15

5

50

13

35

7

M16

24

13

8300N (830kg)

dwg

step

pdf

100/M16-Al/St

32

15

-

100

-

-

-

M16

24

13

8300N (830kg)

dwg

step

pdf

80/M16-Al/St

32

15

-

80

-

-

-

M16

24

13

8300N (830kg)

dwg

step

pdf

60/M16-Al/St

32

15

-

60

-

-

-

M16

24

13

8300N (830kg)

dwg

step

pdf

50/M16-Al/St

32

15

-

50

-

-

-

M16

24

13

8300N (830kg)

dwg

step

pdf

40/M16-Al/St

32

15

-

40

-

-

-

M16

24

13

8300N (830kg)

dwg

step

pdf

30/M16-Al/St

32

15

-

 30

-

-

-

M16

24

13

8300N (830kg)

dwg

step

pdf

20/M16-Al/St

32

15

-

20

-

-

-

M16

24

13

2750N (270kg)

dwg

step

pdf

100K/M14-Al/St

30

15

5

100

13

85

7

M14

22

11

5200N (520kg)

dwg

step

pdf

80K/M14-Al/St

30

15

5

80

13

65

7

M14

22

11

5200N (520kg)

dwg

step

pdf

60K/M14-Al/St

30

15

5

60

13

45

7

M14

22

11

5200N (520kg)

dwg

step

pdf

50K/M14-Al/St

30

15

5

50

13

35

7

M14

22

11

5200N (520kg)

dwg

step

pdf

100/M14-Al/St

30

15

-

100

-

-

-

M14

22

11

5200N (520kg)

dwg

step

pdf

80/M14-Al/St

30

15

-

80

-

-

-

M14

22

11

5200N (520kg)

dwg

step

pdf

60/M14-Al/St

30

15

-

60

-

-

-

M14

22

11

5200N (520kg)

dwg

step

pdf

50/M14-Al/St

30

15

-

50

-

-

-

M14

22

11

5200N (520kg)

dwg

step

pdf

40/M14-Al/St

30

15

-

40

-

-

-

M14

22

11

5200N (520kg)

dwg

step

pdf

30/M14-Al/St

30

15

-

30

-

-

-

M14

22

11

5200N (520kg)

dwg

step

pdf

20/M14-Al/St

30

15

-

20

-

-

-

M14

22

11

2750N (270kg)

dwg

step

pdf

100K/M12-Al/St

26 

14

5

100

13

85

7

M12

19

10

3300N (330kg)

dwg

step

pdf

80K/M12-Al/St

26 

14

5

80

13

65

7

M12

19

10

3300N (330kg)

dwg

step

pdf

60K/M12-Al/St

26 

14

5

60

13

45

7

M12

19

10

3300N (330kg)

dwg

step

pdf

50K/M12-Al/St

26 

14

5

50

13

35

7

M12

19

10

3300N (330kg)

dwg

step

pdf

100/M12-Al/St

26 

14

-

100

-

-

-

M12

19

10

3300N (330kg)

dwg

step

pdf

80/M12-Al/St

26 

14

-

80

-

-

-

M12

19

10

3300N (330kg)

dwg

step

pdf

60/M12-Al/St

26 

14

-

60

-

-

-

M12

19

10

3300N (330kg)

dwg

step

pdf

50/M12-Al/St

26 

14

-

50

-

-

-

M12

19

10

3300N (330kg)

dwg

step

pdf

 40/M12-Al/St

26 

14

-

40

-

-

-

M12

19

10

3300N (330kg)

dwg

step

pdf

 30/M12-Al/St

26 

14

-

30

-

-

-

M12

19

10

3300N (330kg)

dwg

step

pdf

20/M12-Al/St

26 

14

-

20

-

-

-

M12

19

10

2750N (270kg)

dwg

step

pdf

100K/M10-Al/St

25

14

5

100

13

85

7

M10

17

8

1100N (110kg)

dwg

step

pdf

80K/M10-Al/St

25

14

5

80

13

65

7

M10

17

8

1100N (110kg)

dwg

step

pdf

60K/M10-Al/St

25

14

5

60

13

45

7

M10

17

8

1100N (110kg)

dwg

step

pdf

50K/M10-Al/St

25

14

5

50

13

35

7

M10

17

8

1100N (110kg)

dwg

step

pdf

100/M10-Al/St

25

14

-

100

-

-

-

M10

17

8

1100N (110kg)

dwg

step

pdf

80/M10-Al/St

25

14

-

80

-

-

-

M10

17

8

1100N (110kg)

dwg

step

pdf

60/M10-Al/St

25

14

-

60

-

-

-

M10

17

8

1100N (110kg)

dwg

step

pdf

50/M10-Al/St

25

14

-

50

-

-

-

M10

17

8

1100N (110kg)

dwg

step

pdf

40/M10-Al/St

25

14

-

40

-

-

-

M10

17

8

1100N (110kg)

dwg

step

pdf

30/M10-Al/St

25

14

-

30

-

-

-

M10

17

8

1100N (110kg)

dwg

step

pdf

20/M10-Al/St

25

14

-

20

-

-

-

M10

17

8

1100N (110kg)

dwg

step

pdf

OZNAČENÍ

A

B

C

D

E

F

G

M

S1

S2

dop. max. zatížení

ke stažení

 
     

 

inPagewebové stránky s AI, doménawebhosting u jediného 5★ registrátora v ČR