OCHRANY SLOUPŮ

Použití:

Ochrany sloupů jsou používány v regálových skladech a slouží k ochraně sloupů regálů. Jedná se především o ochranu proti nárazu manipulačních vozíků v místě ukotvení sloupů.

Provedení:

Ochrany samotných sloupů jsou vyráběny z ocelových ohýbaných plechů a příčníky mezi nimi jsou z ocelových válcovaných profilů. Ochrany sloupů se uchycují pomocí ocelových kotev do betonové podlahy. Kotevní prvky jsou součástí dodávky.

Ochrany sloupů se dodávají s povrchy lakovanými, nebo zinkovanými. Standardní barevné provedení lakovaného povrchu je RAL 2009.

Ochrany sloupůOchrany sloupů

Na základě požadavku zákazníka dodáváme i ochrany na zakázku. Navrhujeme je tak, aby vyhovovaly přesně požadavkům zákazníka. Nestandardní rozměry, různé materiály, nebo povrchové úpravy.

Pro poptávku, nebo objednání nás můžete kontaktovat přímo na emailovou  adresu info@apme.cz, nebo zavolat na tel.: +420 604 287 322 

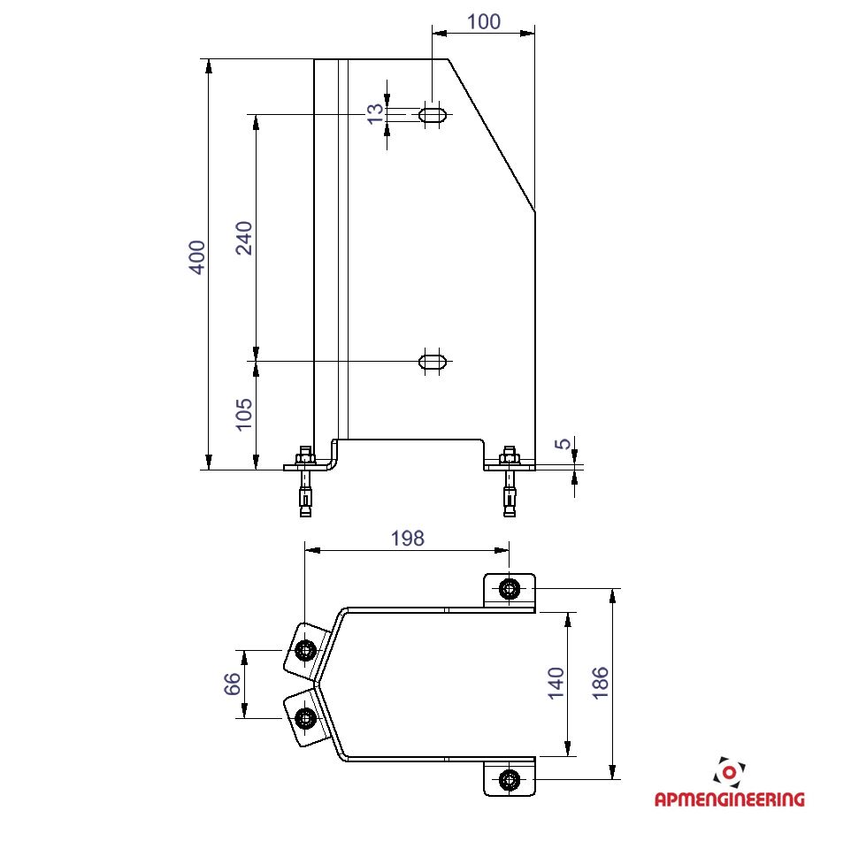
Ochrana sloupu OS140x400-StxLak

Třístranná ochrana sloupu výšky 400mm s možností připojení ochranných U příček. Povrch lakován v odstínu RAL 2009.

Ochrana sloupu OS140x400 Ochrana sloupu OS140x400
ke stažení: pdf dwg step

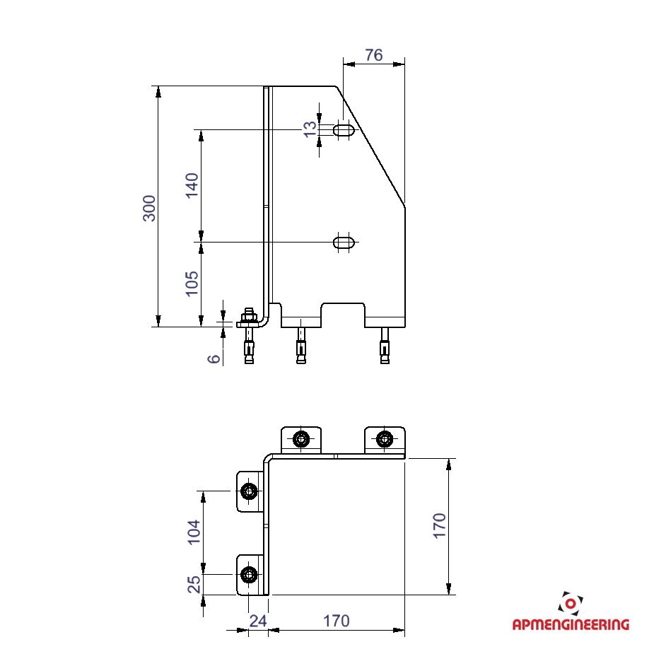
Ochrana sloupu OS140x300-StxLak

Třístranná ochrana sloupu výšky 300mm s možností připojení ochranných U příček. Povrch lakován v odstínu RAL 2009.

Ochrana sloupu OS140x300 Ochrana sloupu OS140x300
ke stažení: pdf dwg step

Ochrana sloupu OS140x400-StxZn

Třístranná ochrana sloupu výšky 400mm s možností připojení ochranných U příček. Povrch zinkován.

Ochrana sloupu OS140x400 Ochrana sloupu OS140x400
ke stažení: pdf dwg step

Ochrana sloupu OS140x300-StxZn

Třístranná ochrana sloupu výšky 300mm s možností připojení ochranných U příček. Povrch zinkován.

Ochrana sloupu OS140x300 Ochrana sloupu OS140x300
ke stažení: pdf dwg step

Ochrana sloupu rohová OSR170x400-StxLak

Rohová ochrana sloupu výšky 400mm s možností připojení ochranných U příček. Povrch lakován v odstínu RAL 2009.

Ochrana sloupu OSR170x400 Ochrana sloupu OSR170x400
ke stažení: pdf dwg step

Ochrana sloupu rohová OSR170x300-StxLak

Rohová ochrana sloupu výšky 300mm s možností připojení ochranných U příček. Povrch lakován v odstínu RAL 2009.

Ochrana sloupu OSR170x300 Ochrana sloupu OSR170x300
ke stažení: pdf dwg step

Ochrana sloupu rohová OSR170x400-StxZn

Rohová ochrana sloupu výšky 400mm s možností připojení ochranných U příček. Povrch zinkován.

Ochrana sloupu OSR170x400 Ochrana sloupu OSR170x400
ke stažení: pdf dwg step

Ochrana sloupu rohová OSR170x300-StxZn

Rohová ochrana sloupu výšky 300mm s možností připojení ochranných U příček. Povrch zinkován.

Ochrana sloupu OSR170x300 Ochrana sloupu OSR170x300
ke stažení: pdf dwg step

Ochrana sloupu rohová OSR120x400-StxLak

Rohová ochrana sloupu výšky 400mm bez možnosti připojení ochranných U příček. Povrch lakován v odstínu RAL 2009.

Ochrana sloupu OSR120x400 Ochrana sloupu OSR120x400
ke stažení: pdf dwg step

Ochrana sloupu rohová OSR120x300-StxLak

Rohová ochrana sloupu výšky 300mm bez možnost připojení ochranných U příček. Povrch lakován v odstínu RAL 2009.

Ochrana sloupu OSR120x300 Ochrana sloupu OSR120x300
ke stažení: pdf dwg step

Ochrana sloupu rohová OSR120x400-StxZn

Rohová ochrana sloupu výšky 400mm bez možnost připojení ochranných U příček. Povrch zinkován.

Ochrana sloupu OSR120x400 Ochrana sloupu OSR120x400
ke stažení: pdf dwg step

Ochrana sloupu rohová OSR120x300-StxZn

Rohová ochrana sloupu výšky 300mm bez možnosti připojení ochranných U příček. Povrch zinkován.

Ochrana sloupu OSR120x300 Ochrana sloupu OSR120x300
ke stažení: pdf dwg step

Ochranná příčka OPU100x1120-StxLak

Ochranná příčka šířky 100mm a délky 1120mm. Vhodné k uchycení na ochrany sloupů OS140 a OSR170.  Povrch lakován v odstínu RAL 2009.

Ochrana sloupu OPU100-1120 Ochrana sloupu OPU100-1120
ke stažení: pdf dwg step

Ochranná příčka OPU100x2420-StxLak

Ochranná příčka šířky 100mm a délky 2420mm. Vhodné k uchycení na ochrany sloupů OS140 a OSR170.  Povrch lakován v odstínu RAL 2009.

Ochrana sloupu OPU100-2420 Ochrana sloupu OPU100-2420
ke stažení: pdf dwg step

Ochranná příčka OPU100x2520-StxLak

Ochranná příčka šířky 100mm a délky 2520mm. Vhodné k uchycení na ochrany sloupů OS140 a OSR170.  Povrch lakován v odstínu RAL 2009.

Ochrana sloupu OPU100-2520 Ochrana sloupu OPU100-2520
ke stažení: pdf dwg step

Ochranná příčka OPU100x1120-StxZn

Ochranná příčka šířky 100mm a délky 1120mm. Vhodné k uchycení na ochrany sloupů OS140 a OSR170.  Povrch zinkován.

Ochrana sloupu OPU100-1120 Ochrana sloupu OPU100-1120
ke stažení: pdf dwg step

Ochranná příčka OPU100x2420-StxZn

Ochranná příčka šířky 100mm a délky 2420mm. Vhodné k uchycení na ochrany sloupů OS140 a OSR170.  Povrch zinkován.

Ochrana sloupu OPU100-2420 Ochrana sloupu OPU100-2420
ke stažení: pdf dwg step

Ochranná příčka OPU100x2520-StxZn

Ochranná příčka šířky 100mm a délky 2520mm. Vhodné k uchycení na ochrany sloupů OS140 a OSR170.  Povrch zinkován.

Ochrana sloupu OPU100-2520 Ochrana sloupu OPU100-2520
ke stažení: pdf dwg step

 

 
     

 

inPagewebové stránky s AI, doménawebhosting u jediného 5★ registrátora v ČR